Allgemeine Kennwerte
mehrweniger| Artikelnummer | 04 0106 001 |
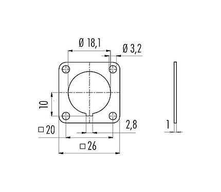
| Steckverbinder-Bauform | Viereckflansch |
| Gewicht (gr) | 3.179 |
| Zolltarifnummer | 74092900 |
Werkstoffe
mehrweniger| REACH SVHC |
None (No pollutants) |
| SCIP Nummer | SCIP-number not available |
| Oberfläche | DIN 50968-Cu/Ni4 halbmatt |
| Werkstoff | CuZn37 |
Klassifikationen
mehrweniger| eCl@ss 11.1 | 27-44-01-92 |
Sicherheitshinweise / Montagehinweise
- Durch den Anwender sind geeignete Sicherheitsvorkehrungen zu treffen, damit der Steckverbinder nicht versehentlich gelöst werden kann.

