Artikelnummer: 79 5210 17 05
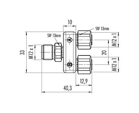
M12 Zweifachverteiler, Y-Verteiler, Stecker - 2 Dosen, Polzahl: 5, ungeschirmt, steckbar, IP68, UL 2238, Edelstahl
M12/M8 Verbindungsleitungen, Serie 765, Automatisierungstechnik - Sensorik und Aktorik
Allgemeine Kennwerte
mehrweniger| Artikelnummer | 79 5210 17 05 |
| Steckverbinder-Bauform | Zweifachverteiler, Y-Verteiler, Stecker - 2 Dosen |
| Bauartnorm | DIN EN 61076-2-101 |
| Kodierung | A-kodiert |
| Ausführung | Zweifachverteiler |
| Steckverbinder Verriegelung | schrauben |
| Anschlussart | steckbar |
| Schutzart | IP68 |
| Temperaturbereich von / bis | -25 °C / 85 °C |
| Mechanische Lebensdauer | > 100 Steckzyklen |
| Gewicht (gr) | 26.00 |
| Zolltarifnummer | 85444290 |
| Ursprungsland | DE |
Elektrische Kennwerte
mehrweniger| Bemessungsspannung | 60 V |
| Bemessungs-Stoßspannung | 1500 V |
| Bemessungsstrom | 4,0 A |
| Verschmutzungsgrad | 3 |
| Überspannungskategorie | II |
| Isolierstoffgruppe | II |
| EMV-Tauglichkeit | ungeschirmt |
Werkstoffe
mehrweniger| Material Gehäuse | PUR |
| Material Kontaktkörper | PUR |
| Material Kontakt | CuZn (Messing) / CuSn (Bronze) |
| Kontaktoberfläche | Au (Gold) |
| Material Verriegelung | Edelstahl |
| REACH SVHC |
CAS 7439-92-1 (Lead) |
| SCIP Nummer | 3db20680-50b8-4873-bad6-a33adec88aef |
Zulassungen / Approbationen
mehrweniger| Zulassungen | UL 2238 |
Klassifikationen
mehrweniger| eCl@ss 11.1 | 27-06-03-11 |
| ETIM 9.0 | EC002638 |
CE-Konformitätserklärungen
mehrweniger| Niederspannungsrichtlinie | EN 60204-1:2018 | EN IEC 63000:2018 | EN 60529:1991 |
| RoHS-Richtlinie | EN IEC 63000:2018 |
Sicherheitshinweise / Montagehinweise
- Der Steckverbinder darf nicht unter Last gesteckt oder getrennt werden. Eine Nichtbeachtung sowie unsachgemäße Verwendung kann Personenschäden zur Folge haben.
- Die Steckverbinder sind für Einsatzbereiche im Anlagen-, Steuerungs- und Elektrogerätebau entwickelt worden. Die Überprüfung, ob die Steckverbinder auch in anderen Einsatzgebieten verwendet werden können, obliegt dem Anwender.
- Steckverbinder, die in Stromkreisen mit berührungsgefährlichen Spannungen eingesetzt werden, dürfen nur von, oder unter Aufsicht von Personen, die eine elektrotechnische Ausbildung besitzen, unter Berücksichtigung der geltenden Bestimmungen und Normen montiert und benutzt werden.
- Durch den Anwender sind geeignete Sicherheitsvorkehrungen zu treffen, damit der Steckverbinder nicht versehentlich gelöst werden kann.
- Steckverbinder mit der Schutzart IP67 und IP68 sind nicht für die Verwendung unter Wasser geeignet. Beim Einsatz im Freien müssen die Steckverbinder gesondert gegen Korrosion geschützt werden. Weitere Infos zu den IP Schutzarten siehe im Bereich Downloadcenter „Technische Informationen“.
- Bitte beachten Sie die Verschmutzungsgrade und die Überspannungskategorie. Weitere Infos hierzu siehe Bereich Downloadcenter „Technische Informationen“.
- Zum Verriegeln des Kabelsteckverbinders mit dem Gerätesteckverbinder wird der Gewindering „handfest“ (ca. 60 cNm) angezogen.
Downloads
Datenblatt
Datenblatt 79 5210 17 05
herunterladen
Zertifikat
UL Zulassung
herunterladen
REACH
79 5210 17 05
herunterladen
RoHS
79 5210 17 05
herunterladen
China RoHS
79 5210 17 05
herunterladen
CE-Konformitätserklärung
Niederspannungsrichtlinie
herunterladen
UKCA-Konformitätserklärung
Elektrische Ausrüstung
herunterladen
CE-Konformitätserklärung
RoHS-Richtlinie
herunterladen
UKCA-Konformitätserklärung
UK-RoHS
herunterladen
Verifizierung für Download
Bitte schließen Sie die Verifizierung ab, um den CAD-Download fortzusetzen.
CAD-Daten
Gewünsches Format auswählen


