Encomenda não: 86 0133 0000 00005
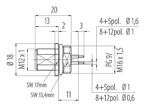
M12 Bujão flangeado, Contatos: 5, desprotegido, THT, IP68, UL 2238, PG 9, Montagem frontal
M12-B, Série 766, Tecnologia de automação - transmissão de dados
Características gerais
maismenos| Número de pedido |
86 0133 0000 00005
Número do produto antigo: 09 4445 88 05
|
| Aviso |
Favor notar que devido à mudança do número de pedido antigo para o novo, pode haver desvios nas especificações técnicas. Para perguntas detalhadas sobre o produto, favor usar o módulo "Contate o Serviço de Atendimento ao Cliente" no lado direito deste website.
mais |
| Design do Conector | Bujão flangeado |
| Tipo padrão | DIN EN 61076-2-101 |
| Codificação | codificados em B |
| Versão | Pino conector reto |
| Sistema de travamento do conector | parafuso |
| Terminação | THT |
| Grau de proteção | IP68 |
| Faixa de temperatura de / a | -40 °C / 85 °C |
| Operação mecânica | > 100 Ciclos de conexão |
| Peso (gr) | 8.88 |
| Número de tarifa alfandegária | 85369010 |
| País de origem | DE |
Parâmetros elétricos
maismenos| Tensão nominal | 60 V |
| Tensão de impulso nominal | 1500 V |
| Corrente nominal (40 ° C) | 4,0 A |
| Resistência de isolamento | > 108 Ω |
| Grau de poluição | 3 |
| Categoria de sobretensão | II |
| Grupo material | II |
| Conformidade EMV | desprotegido |
Material
maismenos| Material de caixa | Zinco fundido sob pressão, niquelado |
| Material do corpo de contato | PA |
| Material de contato | CuZn (latão) |
| Chapa de contato | Ow (Ouro) |
| REACH SVHC |
CAS 7439-92-1 (Lead) |
| PFAS presente | 4b4b348f-c618-49fb-8b39-6c3b7822f381 |
Autorizações / aprovações
maismenos| Approvals | UL 2238 |
Classificações
maismenos| eCl@ss 11.1 | 27-44-01-09 |
| ETIM 9.0 | EC003569 |
Avisos de segurança
- O conector não deve ser plugado ou desconectado sob carga. O não cumprimento e o uso impróprio podem resultar em danos pessoais.
- Os conectores foram desenvolvidos para aplicações em engenharia de instalações, controle e construção de equipamentos elétricos. O usuário é responsável por verificar se os conectores também podem ser usados em outras áreas de aplicação.
- Conectores que são usados em circuitos com tensões perigosas ao toque só podem ser instalados e usados por, ou sob a supervisão de, pessoas com treinamento em engenharia elétrica, levando em conta os regulamentos e normas aplicáveis.
- O usuário deve tomar as devidas precauções de segurança para garantir que o conector não possa ser desligado acidentalmente.
- Os conectores com proteção IP67 e IP68 não são adequados para uso sob água. Quando utilizados ao ar livre, os conectores devem ser protegidos separadamente contra a corrosão. Para maiores informações sobre as classes de proteção IP, consulte o centro de download "Informações Técnicas".
- Favor observar o grau de poluição e a categoria de sobretensão. Para maiores informações, consulte o centro de download "Informações Técnicas".
- Para travar o conector do cabo com o conector do dispositivo, o anel roscado é apertado "à mão" (aproximadamente 60 cNm).
Downloads
Folha de dados
Folha de dados 86 0133 0000 00005
download
Certificado
Certificado UL
download
REACH
86 0133 0000 00005
download
RoHS
86 0133 0000 00005
download
China RoHS
86 0133 0000 00005
download
Dados EPLAN
86 0133 0000 00005
download
Verificar para transferir
Conclua a verificação para prosseguir com o download do CAD.
Dados CAD
selecione o formato desejado


