Menu
Back
  1. Products
  2. Automation technology - Data transmission
  3. M12-D
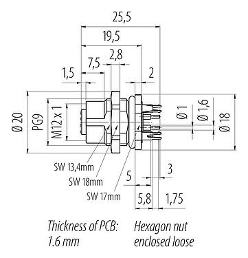
  4. M12 Female panel mount connector, Contacts: 4, shieldable, THT, IP67, UL 2238, PG 9, Rear mounting
Part no.: 86 0536 1120 00404

M12 Female panel mount connector, Contacts: 4, shieldable, THT, IP67, UL 2238, PG 9, Rear mounting

M12-D, series 825, Automation Technology - Data Transmission
Compare product
Downloads
General features
Moreless
Part no. 86 0536 1120 00404
Alternative part no.: 09 3732 500 04
Notice
Please note that, due to the change from the old to the new order number, there may be deviations in the technical specifications. For questions about product details, please use the ‘Contact Customer Service’ form on the right.
More
Connector design Female panel mount connector
Type standard DIN EN 61076-2-101
Coding D-coded
Version Connector socket straight
Connector locking system screw
Termination THT
Degree of protection IP67
Temperature range from/to -40 °C / 85 °C
Mechanical operation > 100 Mating cycles
Weight (g) 15.61
Customs tariff number 85369010
Country of Origin DE
Rated voltage 250 V
Rated impulse voltage 2500 V
Rated current 4.0 A
Insulation resistance > 1010 Ω
Pollution degree 3
Transmission rate CAT 5
Overvoltage category II
Insulating material group II
EMC compliance shieldable
Shield connection Shielding plate
Housing material CuZn (Brass nickel plated)
Contact body material PA
Contact material CuSn (bronze)
Contact plating Au (gold)
Locking material Zinc die-cast nickel-plated
REACH SVHC CAS 7439-92-1 (Lead)
SCIP number bc522939-c3b5-4f83-bbd7-62b01b35120e
eCl@ss 11.1 27-44-01-09
ETIM 9.0 EC003569
Security notices
  1. The connector must not be plugged or unplugged under load. Non-observance and improper use can result in personal injury.
  2. The connectors have been developed for applications in plant engineering, control and electrical equipment construction. The user is responsible for checking whether the connectors can also be used in other areas of application.
  3. Connectors which are used in circuits with voltages dangerous to the touch may only be installed and used by, or under the supervision of, persons with electrical engineering training, taking into account the applicable regulations and standards.
  4. The user must take suitable safety precautions to ensure that the connector cannot be accidentally disconnected.
  5. Plug connectors with enclosure protection IP67 and IP68 are not suitable for use under water. When used outdoors, the plug connectors must be protected separately against corrosion. For further information on the IP protection classes, please refer to the "Technical Information" download centre.
  6. Please observe the pollution degree and the overvoltage category. For further information, please refer to the download center "Technical Information".
  7. To lock the cable connector with the device connector, the threaded ring is tightened "hand-tight" (approx. 60 cNm).
Downloads
Data sheet
Data sheet 86 0536 1120 00404
PDF
Data sheet, Data sheet 86 0536 1120 00404
Certificates
UL certificate
PDF, 118.33 KB
REACH
86 0536 1120 00404
PDF
RoHS
86 0536 1120 00404
PDF
China RoHS
86 0536 1120 00404
PDF
EPLAN data
86 0536 1120 00404

Verify to download

Please complete the verification to proceed with the CAD download.

CAD files
Select required format
M12-D
86 0536 1120 00404