Part no.: 09 0424 00 07
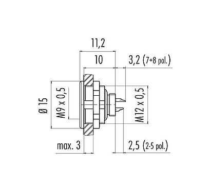
M9 Female panel mount connector, Contacts: 7, unshielded, solder, IP67, M12x0.5, Front mounting
M9 IP67, series 712, Subminiature Connectors
General features
Moreless| Part no. | 09 0424 00 07 |
| Connector design | Female panel mount connector |
| Version | Connector socket straight |
| Connector locking system | screw |
| Termination | solder |
| Degree of protection | IP67 |
| Connection cross-section | 0.14 mm² / AWG 26 |
| Temperature range from/to | -40 °C / 85 °C |
| Mechanical operation | > 500 Mating cycles |
| Weight (g) | 5.13 |
| Customs tariff number | 85369010 |
| Country of Origin | DE |
Electrical parameters
Moreless| Rated voltage | 125 V |
| Rated impulse voltage | 1500 V |
| Rated current | 1.0 A |
| Insulation resistance | ≥ 108 Ω |
| Pollution degree | 1 |
| Overvoltage category | II |
| Insulating material group | III |
| EMC compliance | unshielded |
Material
Moreless| Contact body material | PA (UL94 V-0) |
| Contact material | CuSn (bronze) |
| Contact plating | Au (gold) |
| REACH SVHC |
CAS 7439-92-1 (Lead) |
| SCIP number | 1cc1d884-e0cd-4b9b-8f7c-4fdd99ac32a2 |
Classifications
Moreless| eCl@ss 11.1 | 27-44-01-09 |
| ETIM 9.0 | EC003569 |
Security notices
- The connector must not be plugged or unplugged under load. Non-observance and improper use can result in personal injury.
- The connectors have been developed for applications in plant engineering, control and electrical equipment construction. The user is responsible for checking whether the connectors can also be used in other areas of application.
- Plug connectors with enclosure protection IP67 and IP68 are not suitable for use under water. When used outdoors, the plug connectors must be protected separately against corrosion. For further information on the IP protection classes, please refer to the "Technical Information" download centre.
Downloads
Data sheet
Data sheet 09 0424 00 07
download
REACH
09 0424 00 07
download
RoHS
09 0424 00 07
download
China RoHS
09 0424 00 07
download
EPLAN data
09 0424 00 07
download
Verify to download
Please complete the verification to proceed with the CAD download.
CAD files
Select required format




