Menu
Back
  1. Products
  2. Subminiature connectors
  3. M9 IP67
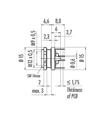
  4. M9 Female panel mount connector, Contacts: 3, shieldable, THT, IP67, M12x0.5, Rear mounting
Part no.: 09 0408 30 03

M9 Female panel mount connector, Contacts: 3, shieldable, THT, IP67, M12x0.5, Rear mounting

M9 IP67, series 712, Subminiature Connectors
Available numbers of contacts
Compare product
Downloads
General features
Moreless
Part no. 09 0408 30 03
Connector design Female panel mount connector
Version Connector socket straight
Connector locking system screw
Termination THT
Degree of protection IP67
Temperature range from/to -40 °C / 85 °C
Mechanical operation > 500 Mating cycles
Weight (g) 6.48
Customs tariff number 85369010
Country of Origin DE
Rated voltage 125 V
Rated impulse voltage 1500 V
Rated current 4.0 A
Insulation resistance ≥ 108 Ω
Pollution degree 1
Overvoltage category II
Insulating material group III
EMC compliance shieldable
Shield connection Shielding plate
Contact body material PA (UL94 V-0)
Contact material CuSn (bronze)
Contact plating Au (gold)
REACH SVHC CAS 7439-92-1 (Lead)
SCIP number ab2fa8a7-aa11-43dd-8c97-b8f034c9d93f
eCl@ss 11.1 27-44-01-09
ETIM 9.0 EC003569
Copper (9903.78.01) 0.001013 kg
Security notices
  1. The connector must not be plugged or unplugged under load. Non-observance and improper use can result in personal injury.
  2. The connectors have been developed for applications in plant engineering, control and electrical equipment construction. The user is responsible for checking whether the connectors can also be used in other areas of application.
  3. Plug connectors with enclosure protection IP67 and IP68 are not suitable for use under water. When used outdoors, the plug connectors must be protected separately against corrosion. For further information on the IP protection classes, please refer to the "Technical Information" download centre.
Downloads
Data sheet
Data sheet 09 0408 30 03
PDF
REACH
09 0408 30 03
PDF
RoHS
09 0408 30 03
PDF
China RoHS
09 0408 30 03
PDF
EPLAN data
09 0408 30 03

Verify to download

Please complete the verification to proceed with the CAD download.

CAD files
Select required format
M9 IP67
09 0408 30 03