产品编号: 86 1239 1100 00044
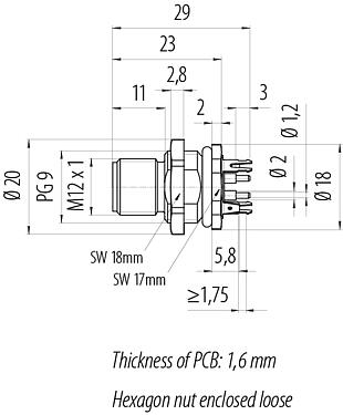
M12 针头法兰座, 极数: 4, 屏蔽, THT, IP68, UL 2238, PG 9, 後壁安裝, 模压成型
M12-T, 系列 813, 自动化技术。电压和电源供应
主要参数
更多折叠| 型号 | 86 1239 1100 00044 |
| 连接器样式 | 针头法兰座 |
| 编码 | T扣连接器 |
| 版本 | 面板安装连接器 |
| 连接器锁定装置 | 螺钉 |
| 接线方式 | THT |
| 防护等级 | IP68 |
| 连接截面 | 最小 1.50mm² 帶端套/最大 2.50mm² 無端套 |
| 工作温度 | -40 °C / 85°C |
| 插拨次数 | > 100 插拔次数 |
| 重量 (gr) | 17.87 |
| 客户关税号 | 85369010 |
电气参数
更多折叠| 额定电压 | 63V |
| 额定冲击电压 | 1500V |
| 额定电流 | 12.0A |
| 绝缘电阻 | > 108 Ω |
| 污染等级 | 3 |
| 过压类别 | III |
| 材料组 | II |
| EMV合规性 | 屏蔽 |
材料
更多折叠| 接触体材料 | 壓鑄鋅, 鎳 |
| 接触材料 | 铜锌 (黄铜) |
| 接触面 | Au (金) |
| 锁紧材料 | 壓鑄鋅, 鎳 |
| REACH SVHC |
CAS 7439-92-1 (Lead) |
| 存在 PFAS | 40746c22-ee56-4a60-bace-a84fd13221ff |
授权/批准
更多折叠| 批准书 | UL 2238 |
符合性声明
更多折叠| 低电压指令 | 2014/35/EU (EN 60204-1:2018 | 2011/65/EU; EN IEC 63000:2018 | 2014/35/EU;EN 60529:1991) |
| EMC 指令 | 2011/65/EU ( EN IEC 63000:2018) |
| RoHS 指令 | 2011/65/EU ( EN IEC 63000:2018) |
| 生态设计指令 | 2011/65/EU ( EN IEC 63000:2018) |
安全提示
- 连接器在负载下不得插拔。不遵守和使用不当会造成人身伤害。
- 连接器的开发是为了应用于工厂工程、控制和电气设备建设。用户有责任检查连接器是否也能用于其他领域的应用。
- 用于有触电危险电压的电路中的连接器,只能由受过电气工程培训的人员安装和使用,或在其监督下安装和使用,同时考虑到适用的规定和标准。
- 用户必须采取适当的安全防范措施,以确保连接器不能意外断开
- 外壳防护等级为IP67和IP68的插头连接器不适合在水中使用。在室外使用时,插头连接器必须单独进行防腐蚀保护。有关IP保护等级的进一步信息,请参见 "技术信息 "下载中心。
- 请观察污染程度和过电压类别。更多信息请参考下载中心 "技术资料"。
- 为了将电缆接头与设备接头锁紧,螺纹环要用 "手拧紧"(约60 cNm)。
下载



