Đặt hàng không: 99 3482 458 08
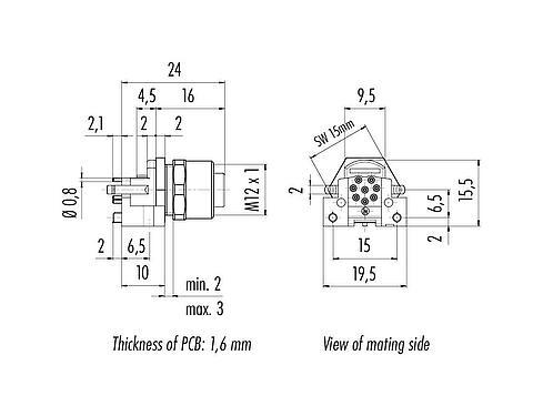
M12 Ổ cắm gắn bảng, Số lượng cực : 8, có thể che chắn, THR, IP68, UL 2238, M12x1,0, Gắn phía trước, Để gắn PCB
M12-A, series 763, Công nghệ tự động hóa - cảm biến và thiết bị truyền động
Các tính năng chung
thêmít hơn| Số đặt hàng | 99 3482 458 08 |
| Thiết kếđầu nối | Ổ cắm gắn bảng |
| Tiêu chuẩn thiết kế | DIN EN 61076-2-101 |
| Mã hoá | Mã hóa A |
| Phiên bản | Đầu nối đầu cắm cái thẳng |
| Đầu nối hệ thống khóa | vít |
| Chấm dứt | THR |
| Mức độ bảo vệ | IP68 |
| Phạm vi nhiệt độ từ/đến | -40 °C / 85 °C |
| Vận hành cơ học | > 100 chu kỳ kết nối |
| Trọng lượng (gr) | 11.63 |
| Số thuế hải quan | 85369010 |
| Nước xuất xứ | HU |
Thông số điện
thêmít hơn| Điện áp định mức | 30V |
| Điện áp xung định mức | 800V |
| Dòng định mức (40 ° C) | 2A (UL 1,5A) |
| Điện trở cách điện | > 108 Ω |
| Mức độ ô nhiễm | 3 |
| Nhóm vật liệu | III |
| Tuân thủ EMV | có thể che chắn |
| Kết nối tấm chắn | Tấm chắn |
Chất liệu
thêmít hơn| Chất liệu của vỏ bọc | CuZn (Đồng thau mạ niken) |
| Vật liệu của phần tiếp xúc | PA |
| Chất liệu tiếp xúc | CuSn (đồng) |
| Mạ tiếp xúc | Au (vàng) |
| REACH SVHC |
CAS 7439-92-1 (Lead) |
| PFAS hiện tại | e2ada086-37ee-4167-a55f-259c40539a65 |
Ủy quyền/phê duyệt
thêmít hơn| Approvals | UL 2238 |
Thông báo bảo mật
- Đầu nối không được lắp vào hoặc ngắt kết nối khi chịu tải. Không tuân thủ hướng dẫn và sử dụng không đúng cách có thế dẫn đến hư hỏng
- Các đầu nối đã được phát triển cho các lĩnh vực ứng dụng trong xây dựng nhà máy, điều khiển và thiết bị điện. Người dùng có trách nhiệm kiểm tra xem các đầu nối có thể được sử dụng trong các lĩnh vực ứng dụng khác hay không.
- Để bảo vệ khỏi việc mở đầu nối không chủ ý, phần ren giữa vỏ và đầu nối phải được giữ chặt bằng chất kết dính cyanoacrylate thích hợp khi được sử dụng trong các mạch điện có điện áp nguy hiểm khi chạm vào. Điều này không áp dụng cho các đầu nối được sử dụng trong mạch SELV và PELV theo IEC 61140 (EN 61140, VDE 0140-1).
- Các đầu nối phích cắm được sử dụng trong mạch điện có điện áp tiếp xúc nguy hiểm chỉ được lắp đặt và sử dụng dưới sự giám sát của những người đã được đào tạo về kỹ thuật điện, có hiểu biết về các quy định và tiêu chuẩn hiện hành.
- Người dùng phải thực hiện các biện pháp phòng ngừa an toàn phù hợp để tránh trường hợp vô tình ngắt kết nối.
- Các đầu nối có cấp bảo vệ IP67 và IP68 không thích hợp để sử dụng dưới nước. Khi sử dụng ngoài trời, các đầu nối phải được bảo vệ riêng để chống ăn mòn. Để biết thêm thông tin về các lớp bảo vệ IP, hãy xem trung tâm tải xuống "Thông tin kỹ thuật".
- Để khóa đầu nối cáp với đầu nối thiết bị, vòng ren được siết chặt "chặt tay" (khoảng 60cNm).
- Người dùng phải thực hiện các biện pháp phòng ngừa an toàn thích hợp để đảm bảo rằng đầu nối không thể vô tình bị ngắt kết nối. Ngoài ra, người dùng phải đảm bảo rằng cáp được bảo đảm phù hợp.
Tải về
Bảng dữliệu
Bảng dữliệu 99 3482 458 08
tải xuống
Chứng chỉ
Chứng chỉ UL
tải xuống
REACH
99 3482 458 08
tải xuống
RoHS
99 3482 458 08
tải xuống
China RoHS
99 3482 458 08
tải xuống
Dữ liệu EPLAN
99 3482 458 08
tải xuống
Xác minh để tải xuống
Vui lòng hoàn thành xác minh để tiếp tục tải xuống CAD.
Dữ liệu CAD
Chọn định dạng bạn muốn



