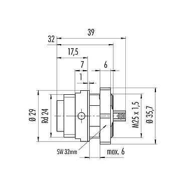
零件編號: 09 4219 150 07
RD24 針頭法蘭座, : 6+PE, 非遮罩, 螺釘接線, IP67, UL, ESTI+, VDE, 板前安裝
RD24, 系列 693, 電源連接器
全身特徵
更多更少| 零件編號 | 09 4219 150 07 |
| 連接器設計 | 針頭法蘭座 |
| 版本 | 直頭針頭電纜連接器 |
| 連接器鎖定系統 | 中央螺紋式 |
| 服務終止 | 螺釘接線 |
| 防護等級 | IP67 |
| 連接截面 | 最大 1.50mm² / AWG 16 |
| 溫度範圍:/至 | -40 °C / 100°C |
| 機械使用壽命 | > 500 插拔次數 |
| 重量 (g) | 23.68 |
| 海關稅號 | 85369010 |
| 原產國 | DE |
電氣參數
更多更少| 額定電壓 | 250V |
| 額定衝擊電壓 | 4000V |
| 額定電流 | 10A (8A UL) |
| 絕緣電阻 | ≥ 1010 Ω |
| 污染程度 | 3 |
| 過電壓類別 | III |
| 絕緣材料組 | III |
| EMC 合規性 | 非遮罩 |
材料
更多更少| 接觸體材料 | PA |
| 觸點材料 | 銅錫(銅牌) |
| 觸點電鍍 | Ag (銀) |
| REACH SVHC |
CAS 7439-92-1 (Lead) |
| 存在 PFAS | 7d79467b-d509-499f-8173-36697561b5d8 |
授權/批准
更多更少| 審批 | UL, ESTI+, VDE |
分類
更多更少| eCl@ss 11.1 | 27-44-01-09 |
| ETIM 9.0 | EC003569 |
安全須知
- 连接器在负载下不得插拔。不遵守和使用不当会造成人身伤害。
- 连接器的开发是为了应用于工厂工程、控制和电气设备建设。用户有责任检查连接器是否也能用于其他领域的应用。
- 用于有触电危险电压的电路中的连接器,只能由受过电气工程培训的人员安装和使用,或在其监督下安装和使用,同时考虑到适用的规定和标准。
- 用户必须采取适当的安全防范措施,以确保连接器不能意外断开
- 请观察污染程度和过电压类别。更多信息请参考下载中心 "技术资料"。
下載
產品參數
產品參數 09 4219 150 07
下載
證書
Splus證書
下載
證書
UL證書
下載
證書
VDE證書
下載
REACH
09 4219 150 07
下載
RoHS
09 4219 150 07
下載
China RoHS
09 4219 150 07
下載
EPLAN 數據
09 4219 150 07
下載
驗證後下載
請完成驗證以繼續CAD下載。
CAD檔
選擇所需的格式



