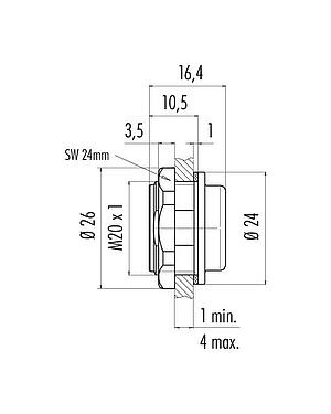
零件編號: 08 2434 400 001
Snap-in 快插 適配器, 非遮罩, 可從板前擰緊
Snap-in 快插 IP67 (小型), 系列 720, Medical Grade 規格的連接器
全身特徵
更多更少| 零件編號 | 08 2434 400 001 |
| 連接器設計 | 適配器 |
| 版本 | 適配器 |
| 重量 (g) | 7.43 |
| 海關稅號 | 85369010 |
電氣參數
更多更少| EMC 合規性 | 非遮罩 |
材料
更多更少| 外殼材料 | PA GF25 |
| REACH SVHC |
CAS 7439-92-1 (Lead) |
| 存在 PFAS | 01d96e0a-534b-4384-b944-c4cbae8a0f87 |
分類
更多更少| eCl@ss 11.1 | 27-44-02-08 |
| ETIM 9.0 | EC002638 |
安全須知
- 连接器在负载下不得插拔。不遵守和使用不当会造成人身伤害。
- 连接器的开发是为了应用于工厂工程、控制和电气设备建设。用户有责任检查连接器是否也能用于其他领域的应用。
- 用于有触电危险电压的电路中的连接器,只能由受过电气工程培训的人员安装和使用,或在其监督下安装和使用,同时考虑到适用的规定和标准。
- 用户必须采取适当的安全防范措施,以确保连接器不能意外断开
- 外壳防护等级为IP67和IP68的插头连接器不适合在水中使用。在室外使用时,插头连接器必须单独进行防腐蚀保护。有关IP保护等级的进一步信息,请参见 "技术信息 "下载中心。
- 请观察污染程度和过电压类别。更多信息请参考下载中心 "技术资料"。
下載
產品參數
產品參數 08 2434 400 001
下載
REACH
08 2434 400 001
下載
RoHS
08 2434 400 001
下載
China RoHS
08 2434 400 001
下載
驗證後下載
請完成驗證以繼續CAD下載。
CAD檔
選擇所需的格式



