零件編號: 09 0127 290 07
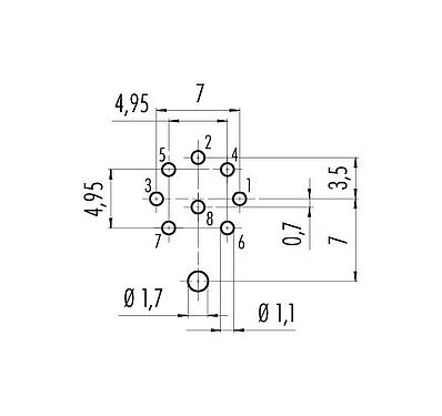
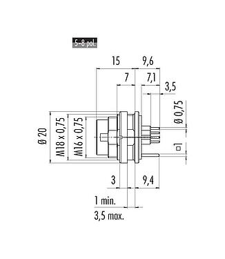
M16 針頭法蘭座, : 7 (07-a), 可接遮罩, THT, IP68, UL 2238, M18x0,75, 後壁安裝
M16 IP67, 系列 425, 小型連接器
全身特徵
更多更少| 零件編號 | 09 0127 290 07 |
| 連接器設計 | 針頭法蘭座 |
| Type standard | DIN EN 61076-2-106 |
| 版本 | 直頭針頭電纜連接器 |
| 連接器鎖定系統 | 螺釘 |
| 服務終止 | THT |
| 防護等級 | IP68 |
| 溫度範圍:/至 | -40 °C / 95°C |
| 機械使用壽命 | > 500 插拔次數 |
| 重量 (g) | 14.20 |
| 海關稅號 | 85369010 |
| 原產國 | DE |
電氣參數
更多更少| 額定電壓 | 32V |
| 額定衝擊電壓 | 500V |
| 額定電流 | 5.0A |
| 絕緣電阻 | ≥ 1010 Ω |
| 污染程度 | 2 |
| 過電壓類別 | II |
| 絕緣材料組 | III |
| EMC 合規性 | 可接遮罩 |
| 遮罩連接 | 遮罩針 |
材料
更多更少| 外殼材料 | 壓鑄鋅, 鎳 |
| 接觸體材料 | PBT (UL94V-0) |
| 觸點材料 | 銅鋅(黃銅) |
| 觸點電鍍 | Ag (銀) |
| REACH SVHC |
CAS 7439-92-1 (Lead) |
| 存在 PFAS | 507fb2fb-dc4a-45c7-93a6-fef9553dc59b |
授權/批准
更多更少| 審批 | UL 2238 |
分類
更多更少| eCl@ss 11.1 | 27-44-01-09 |
| ETIM 9.0 | EC003569 |
安全須知
- 连接器在负载下不得插拔。不遵守和使用不当会造成人身伤害。
- 连接器的开发是为了应用于工厂工程、控制和电气设备建设。用户有责任检查连接器是否也能用于其他领域的应用。
- 用于有触电危险电压的电路中的连接器,只能由受过电气工程培训的人员安装和使用,或在其监督下安装和使用,同时考虑到适用的规定和标准。
- 外壳防护等级为IP67和IP68的插头连接器不适合在水中使用。在室外使用时,插头连接器必须单独进行防腐蚀保护。有关IP保护等级的进一步信息,请参见 "技术信息 "下载中心。
- 请观察污染程度和过电压类别。更多信息请参考下载中心 "技术资料"。
- 为了将电缆接头与设备接头锁紧,螺纹环要用 "手拧紧"(约60 cNm)。
下載
產品參數
產品參數 09 0127 290 07
下載
證書
UL證書
下載
REACH
09 0127 290 07
下載
RoHS
09 0127 290 07
下載
China RoHS
09 0127 290 07
下載
EPLAN 數據
09 0127 290 07
下載
驗證後下載
請完成驗證以繼續CAD下載。
CAD檔
選擇所需的格式




