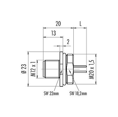
零件編號: 76 4631 0011 00008-0200
M12 針頭法蘭座, : 8, 非遮罩, 帶導線, IP67, UL 2238, M20x1.5, 板前安裝
M12-A, 系列 763, 自動化技術.感測器和執行器
全身特徵
更多更少| 零件編號 | 76 4631 0011 00008-0200 |
| 連接器設計 | 針頭法蘭座 |
| Type standard | DIN EN 61076-2-101 |
| 編碼 | A扣連接器 |
| 線長 | 0.2m (標準長度 0.2 公尺(可根據要求提供其他長度) |
| 版本 | 直頭針頭電纜連接器 |
| 連接器鎖定系統 | 螺釘 |
| 服務終止 | 帶導線 |
| 防護等級 | IP67 |
| 連接截面 | 0.25mm² / AWG 24 |
| 溫度範圍:/至 | -40 °C / 85 °C |
| 機械使用壽命 | > 100 插拔次數 |
| 重量 (g) | 10.82 |
| 海關稅號 | 85369010 |
| 原產國 | DE |
電氣參數
更多更少| 額定電壓 | 30V |
| 額定衝擊電壓 | 800V |
| 額定電流 | 2A (UL 1.5A) |
| 絕緣電阻 | > 108 Ω |
| 污染程度 | 3 |
| 過電壓類別 | II |
| 絕緣材料組 | III |
| EMC 合規性 | 非遮罩 |
材料
更多更少| 外殼材料 | PA |
| 接觸體材料 | PA 黑色 |
| 觸點材料 | 銅鋅(黃銅) |
| 觸點電鍍 | Au (金) |
| REACH SVHC |
CAS 7439-92-1 (Lead) |
| 存在 PFAS | 24dc9ecd-dd86-40ff-bcaf-2bdb7f7e111c |
關於纜線的數據
更多更少| 導線結構 | |
| 橫截面積 (mm²) | 8x0.25mm² |
| 橫截面積 (AWG) | 8xAWG 24 |
| 線徑 | 1,5 mm |
| 線色 |
白色 棕色 綠色 黃色 灰色 粉 藍色 紅色 |
| 護套材料 | PVC |
| 線材材料 | 鍍錫銅 |
| 導線結構 | 7x0.203mm |
| 電氣性能 | |
| 額定電壓 | 300V |
| 額定衝擊電壓 | 3000V |
| 導線電阻 | 90 Ω/Km (20°C) |
| 絕緣電阻 | 20.0 MΩ/Km (20 °C) |
| 熱性能 | |
| 溫度範圍線在移動從/到(°C) | -10 °C / 105°C |
| 溫度範圍線固定範圍(°C) | -30 °C / 105°C |
授權/批准
更多更少| 審批 | UL 2238 |
分類
更多更少| ETIM 9.0 | EC003570 |
安全須知
- 连接器在负载下不得插拔。不遵守和使用不当会造成人身伤害。
- 连接器的开发是为了应用于工厂工程、控制和电气设备建设。用户有责任检查连接器是否也能用于其他领域的应用。
- 为防止意外打开连接器,当使用在有触碰危险的电压的电路中时,必须用合适的氰基丙烯酸酯粘合剂将外壳和连接器头之间的螺纹固定。这不适用于符合IEC 61140 (EN 61140, VDE 0140-1)的SELV和PELV电路中使用的连接器。
- 用于有触电危险电压的电路中的连接器,只能由受过电气工程培训的人员安装和使用,或在其监督下安装和使用,同时考虑到适用的规定和标准。
- 用户必须采取适当的安全防范措施,以确保连接器不能意外断开
- 外壳防护等级为IP67和IP68的插头连接器不适合在水中使用。在室外使用时,插头连接器必须单独进行防腐蚀保护。有关IP保护等级的进一步信息,请参见 "技术信息 "下载中心。
- 为了将电缆接头与设备接头锁紧,螺纹环要用 "手拧紧"(约60 cNm)。
- 用户必须采取适当的安全防范措施,以确保连接器不会意外断开。此外,用户必须确保电缆被适当地固定。



