주문 번호: 09 0098 20 05
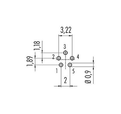
M9 플랜지 리셉터클, 콘택트 렌즈: 5, 차폐되지 않음, THT, IP40, M9x0,5, 전면 마운팅
M9 IP40, 711 시리즈, 초소형 커넥터
일반적인 특징
더보기미만| 주문 번호 | 09 0098 20 05 |
| 커넥터 디자인 | 플랜지 리셉터클 |
| 버전 | 일자 암 커넥터 |
| 커넥터 잠금 시스템 | 나사 |
| 종료 | THT |
| 보호 수준 | IP40 |
| 온도 범위에서 /까지 | -40 °C / 85 °C |
| 기계적 작동 | > 500 체결횟수 |
| 무게 (gr) | 3.01 |
| 관세 번호 | 85369010 |
| 원산지 | DE |
전기적 매개 변수
더보기미만| 정격 전압 | 125V |
| 정격 임펄스 전압 | 1500V |
| 정격 전류 (40 ° C) | 3.0A |
| 절연 저항 | ≥ 108 Ω |
| 오염도 | 1 |
| 과전압 범주 | II |
| 재료 그룹 | III |
| EMC 준수 | 차폐되지 않음 |
재료
더보기미만| 접촉 체 재질 | PA (UL94 V-0) |
| 접점 재질 | CuSn (청동) |
| 접촉 도금 | Au (골드) |
| REACH SVHC |
CAS 7439-92-1 (Lead) |
| PFAS 존재 | 6ff6e307-2e08-4cc4-a14f-aedaa50ba7ff |
분류
더보기미만| eCl@ss 11.1 | 27-44-01-09 |
| ETIM 9.0 | EC003569 |
Trade-Compliance
더보기미만| Copper (9903.78.01) | 0.000184 kg |
보안 고지
- 커넥터는 부하 상태에서 삽입하거나 분리해서는 안됩니다. 규정을 준수하지 않고 부적절하게 사용하면 부상을 입을 수 있습니다.
- 커넥터는 플랜트, 제어 및 전기 장치 구성의 응용 분야를 위해 개발되었습니다. 커넥터를 다른 응용 분야에서도 사용할 수 있는지 확인하는 것은 사용자의 책임입니다.
- 위험한 접촉 전압이 있는 회로에 사용되는 커넥터는 해당 규정 및 표준을 고려하여, 전기공학 지식을 가진 담당자, 또는 그의 감독 하에 설치 및 사용하여야 합니다.
- 사용자는 커넥터가 실수로 분리되지 않도록 적절한 안전 예방 조치를 취해야합니다.
- 오염도와 과전압 범주에 유의하십시오. 자세한 내용은 "기술 정보"다운로드 센터를 참조하십시오.
다운로드
데이터 시트
데이터 시트 09 0098 20 05
다운로드
REACH
09 0098 20 05
다운로드
RoHS
09 0098 20 05
다운로드
China RoHS
09 0098 20 05
다운로드
EPLAN 데이터
09 0098 20 05
다운로드
다운로드 확인
CAD 다운로드를 진행하려면 확인을 완료해 주세요.
CAD 파일
원하는 형식을 선택하십시오




