일반적인 특징
더보기미만| 주문 번호 | 04 0735 124 |
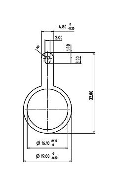
| 커넥터 디자인 | 차폐 시트 |
| 무게 (gr) | 0.335 |
| 관세 번호 | 74092900 |
전기적 매개 변수
더보기미만| 실드 연결 | 솔더 러그 |
재료
더보기미만| REACH SVHC |
None (No pollutants) |
| PFAS 존재 | SCIP-number not available |
| 표면 | DIN 50965 - Cu/Sn 4-8 |
| 재료 | CuZn37 |
분류
더보기미만| eCl@ss 11.1 | 27-44-01-92 |
보안 고지
- 사용자는 커넥터가 실수로 분리되지 않도록 적절한 안전 예방 조치를 취해야합니다.

