注文する: 09 0474 782 08
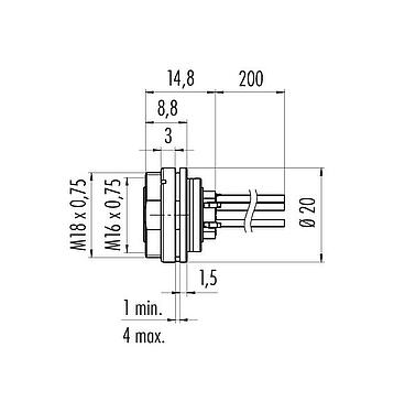
M16 メスパネルマウントコネクタ, 極数: 8 (08-a), 非シールド, 単線, IP40, M18x0,75, 背面パネルマウント
M16 IP40, シリーズ 680, ミニチュアコネクタ
一般的な機能
開く閉じる| 注文番号 | 09 0474 782 08 |
| コネクタ設計 | メスパネルマウントコネクタ |
| 設計基準 | DIN EN 61076-2-106 |
| ワイヤー長さ | 0.2m (標準0.2m. その他の長さはご相談に応じます) |
| コネクタ形状 | コネクタメスストレート |
| コネクタロックシステム | ネジ |
| 終端処理 | 単線 |
| IP保護等級 | IP40 |
| 接続断面 | AWG 22 |
| 温度範囲 | -30 °C / 85 °C |
| 機械的な操作 | > 嵌合回数500 |
| 重量(g) | 18.68 |
| 関税番号 | 85369010 |
| 原産国 | DE |
電気的パラメータ
開く閉じる| 定格電圧 | 60V |
| 定格インパルス電圧 | 500V |
| 定格電流(40℃) | 5.0A |
| 絶縁抵抗 | ≥ 1010 Ω |
| 汚染度 | 1 |
| 過電圧カテゴリ | I |
| 材料群 | II |
| EMC対応 | 非シールド |
材料
開く閉じる| ハウジング部材質 | ニッケルメッキ亜鉛ダイカスト |
| 接触体の材質 | PBT (UL94 V-0) |
| 接触材料 | CuSn (ブロンズ) |
| 接点めっき | Ag(シルバー) |
| REACH SVHC |
CAS 7439-92-1 (Lead) |
| PFASの存在 | 2e795541-7dad-40fd-b5fd-3e1ea5ec417c |
リッツ線に関するデータ
開く閉じる| 電線の構造 | |
| 断面積 (mm²) | 8x0.34mm² |
| 断面積 (AWG) | 8xAWG 22 |
| 線径 | 1,65 mm |
| 線色 |
茶色 ホワイト 青 グリーン イエロー グレー 赤 赤 |
| シース材質 | PVC |
| 線材 | Cu(錫メッキ |
| 線構造 | 7x0.254mm |
| 電気特性 | |
| 定格電圧 | 300V |
| 定格サージ電圧 | 3000V |
| 絶縁抵抗 | 20.0 MΩ/Km (20 °C) |
| 熱特性 | |
| 温度範囲の移動範囲(°C) | -10 °C / 105°C |
| 温度範囲 固定配線 始点/終点 (°C) | -40 °C / 105°C |
分類
開く閉じる| eCl@ss 11.1 | 27-44-01-09 |
| ETIM 9.0 | EC003569 |
セキュリティに関するお知らせ
- 負荷のかかった状態でコネクタプラグの抜き差しをしないで下さい。不遵守や不適切な使用は、事故の原因となり得ます
- プラントエンジニアリング、制御、電気設備工事などの用途に向けて開発されたコネクタです。コネクタが他の用途にも使用できるかどうかは、ユーザーが責任を持って確認してください。
- 触ると危険な電圧の回路で使用されるコネクタは、適用される法規制や基準を考慮して、電気工学の訓練を受けた者のみが取り付け、またはその監督下で使用することができます。
- 誤ってコネクターを外すことがないように、ユーザーは適切な安全対策を講じる必要があります。
- 汚染度と過電圧カテゴリを参照してください。詳しくは、ダウンロードセンター「技術情報」をご覧ください。
- ケーブルコネクタをデバイスコネクタで固定するには、ネジリングを「手で締め付ける」(約60cNm)。
ダウンロード
データシート
データシート 09 0474 782 08
ダウンロード
REACH
09 0474 782 08
ダウンロード
RoHS
09 0474 782 08
ダウンロード
China RoHS
09 0474 782 08
ダウンロード
EPLANデータ
09 0474 782 08
ダウンロード
ダウンロードの確認
CADダウンロードを続行するには、確認を完了してください。
CADデータ
タ-希望する形式を選択


