Tilauksen numero: 76 6219 1111 00004-0200
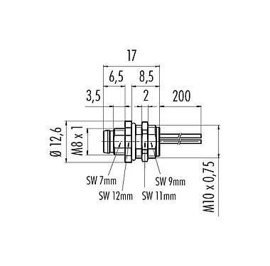
M8 Laippapistoke, Napojen määrä: 4, suojaamaton, punokset, IP67, UL 2238, M10x0,75, Etukiinnitys
M8, Sarja 718, Automaatiotekniikka – sensoriikka ja toimilaitetekniikka
Yleiset ominaisuudet
mehrweniger| Ordernummer |
76 6219 1111 00004-0200
Alternativt ordernummer: 09 3421 00 04
|
| Observera |
Huomaa, että vanhojen tilausnumeroiden vaihtuminen uusiin voi aiheuttaa poikkeavuuksia teknisissä erittelyissä. Kysy tarkempia tietoja tuotteesta kohdassa "Yhteys asiakaspalveluun" tämän verkkosivun oikeassa reunassa.
mehr |
| Anslutningsdesign | Laippapistoke |
| Tyyppistandardi | DIN EN 61076-2-104 |
| Koodaus | A-koodattu |
| Yksisäikeisen pituus | 0,2 m (Vakiona 0,2 m. Muita pituuksia on saatavana pyynnöstä). |
| Versio | Liitin uros suora |
| Kontaktlåsning | snap-in, ruuvaus |
| Anslutningstyp | punokset |
| Typ av skydd | IP67 |
| Liitännän poikkileikkaus | 0,25 mm² / AWG 24 |
| Begränsa temperaturen från / till | -40 °C / 85 °C |
| Mekanisk livslängd | > 100 liitäntäsykliä |
| Vikt (gr) | 16.75 |
| Tulltaxenummer | 85369010 |
| Alkuperämaa | DE |
Sähköiset ominaisuudet
mehrweniger| Märkspänning | 50 V (AC) / 60 V (DC) |
| Märkd impulsspänning | 1500 V |
| Märkström | 4,0 A |
| Grad | 3 |
| Överspänningskategori | II |
| Gruppen isolerande material | II |
| EMC lämplighet | suojaamaton |
Materiaalit
mehrweniger| Materialbostäder | sinkkipainevalu nikkelöity |
| Material Kontakt kropp | PA musta |
| Materialkontakt | CuZn (messinki) |
| Kontaktyta | Au (kulta) |
| REACH SVHC |
CAS 7439-92-1 (Lead) |
| PFAS-yhdisteiden esiintyminen | a8b72d8d-7862-4c1e-a847-238b35936f46 |
Tietoja litzajohtimista
mehrweniger| Johdon rakenne | |
| Poikkileikkaus (mm²) | 4 x 0,25 mm² |
| Poikkileikkaus (AWG) | 4 x AWG 24 |
| Johdon halkaisija | 1,5 mm |
| Johdon värit |
valkoinen ruskea sininen musta |
| Vaipan materiaali | PVC |
| Johdon materiaali | Cu (tinattu) |
| Johdon rakenne | 7 x 0,203 mm |
| Sähköominaisuudet | |
| Nimellisjännite | 300 V |
| Nimellinen syöksyjännite | 3000 V |
| Johdon resistanssi | 90 Ω/Km (20°C) |
| Eristysresistanssi | 20,0 MΩ/Km (20 °C) |
| Lämpöominaisuudet | |
| Lämpötila-alue liikkeessä / liikkeestä (°C) | -10 °C / 105 °C |
| Lämpötila-alue, kiinteä johto, alkaen / päättyen (°C) | -30 °C / 105 °C |
Auktoriserings / godkännanden
mehrweniger| Hyväksynnät | UL 2238 |
Luokitukset
mehrweniger| eCl@ss 11.1 | 27-44-01-03 |
| ETIM 9.0 | EC003570 |
Turvallisuushuomautukset
- Liittimiä ei saa asentaa tai irrottaa kuormituksen alaisena. Laitteiden noudattamatta jättäminen ja virheellinen käyttö voi johtaa henkilövahinkoihin.
- Liittimet on kehitetty käyttökohteisiin tehdas-, ohjaus- ja sähkölaitteiden rakentamisessa. Käyttäjän vastuulla on tarkistaa, voidaanko liittimiä käyttää myös muilla sovellusalueilla.
- Pistokeliittimet, joita käytetään piireissä, joissa on vaarallinen kosketusjännite, saa asentaa ja käyttää vain sähkötekniikan koulutuksen saaneet henkilöt tai heidän valvonnassaan ottaen huomioon sovellettavat määräykset ja standardit.
- Käyttäjän on toteutettava asianmukaiset turvatoimenpiteet, jotta liitintä ei voida vahingossa irrottaa.
- Liittimet, joiden suojausluokka on IP67 ja IP68, eivät sovellu käytettäväksi veden alla. Ulkona käytettäessä liittimet on suojattava erikseen korroosiolta. Lisätietoja IP-suojausluokista on teknisten tietojen latauskeskuksessa.
- Huomaa saasteaste ja ylijännitekategoria. Lisätietoja on teknisten tietojen latauskeskuksessa.
- Kaapeliliittimen lukitsemiseksi laiteliittimellä kierteitetty rengas kiristetään "käsin tiukasti" (noin 50 cNm).
Lataukset
Tietolomake
Tietolomake 76 6219 1111 00004-0200
download
Sertifikaatit
UL-hyväksyntä
download
REACH
76 6219 1111 00004-0200
download
RoHS
76 6219 1111 00004-0200
download
China RoHS
76 6219 1111 00004-0200
download
EPLAN-tiedot
76 6219 1111 00004-0200
download
Vahvista ladattavaksi
Suorita vahvistus jatkaaksesi CAD-latausta.
CAD-tiedot
Valitse haluamasi muoto


