Tilauksen numero: 09 3432 284 04
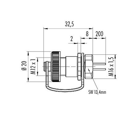
M12 Laippapistorasia, Napojen määrä: 4, suojaamaton, punokset, IP69K, M16x1,5, Etukiinnitys, ulkokäyttöön varten, UV-Beständig, valettu
M12-A, Sarja 763, Automaatiotekniikka – sensoriikka ja toimilaitetekniikka
Yleiset ominaisuudet
mehrweniger| Ordernummer | 09 3432 284 04 |
| Anslutningsdesign | Laippapistorasia |
| Tyyppistandardi | DIN EN 61076-2-101 |
| Koodaus | A-koodattu |
| Yksisäikeisen pituus | 0,2 m (Vakiona 0,2 m. Muita pituuksia on saatavana pyynnöstä). |
| Versio | Liitin naaras suora |
| Kontaktlåsning | ruuvaus |
| Anslutningstyp | punokset |
| Typ av skydd | IP69K |
| Liitännän poikkileikkaus | 0,25 mm² / AWG 24 |
| Begränsa temperaturen från / till | -40 °C / 100 °C |
| Mekanisk livslängd | > 100 liitäntäsykliä |
| Vikt (gr) | 17.15 |
| Tulltaxenummer | 85369010 |
| Alkuperämaa | DE |
Sähköiset ominaisuudet
mehrweniger| Märkspänning | 250 V |
| Märkd impulsspänning | 2500 V |
| Märkström | 4,0 A |
| Isoleringsmotstånd | > 108 Ω |
| Grad | 3 |
| Överspänningskategori | II |
| Gruppen isolerande material | II |
| EMC lämplighet | suojaamaton |
Materiaalit
mehrweniger| Materialbostäder | Ruostumaton teräs |
| Material Kontakt kropp | PA |
| Materialkontakt | CuSn (pronssi) |
| Kontaktyta | Au (kulta) |
| REACH SVHC |
CAS 7439-92-1 (Lead) |
| PFAS-yhdisteiden esiintyminen | c47b7a73-d4a5-47fd-9069-df00cd3bbe8d |
Tietoja litzajohtimista
mehrweniger| Johdon rakenne | |
| Poikkileikkaus (mm²) | 4 x 0,25 mm² |
| Poikkileikkaus (AWG) | 4 x AWG 24 |
| Johdon halkaisija | 1,3 mm |
| Johdon värit |
ruskea sininen valkoinen musta |
| Vaipan materiaali | TPE |
| Johdon materiaali | Cu (tinattu) |
| Johdon rakenne | 14 x 0,15 mm |
| Sähköominaisuudet | |
| Nimellisjännite | 900 V |
| Nimellinen syöksyjännite | 2500 V |
| Johdon resistanssi | 79 Ω/Km (20°C) |
| Eristysresistanssi | 20,0 MΩ/Km (20 °C) |
| Lämpöominaisuudet | |
| Lämpötila-alue liikkeessä / liikkeestä (°C) | -40 °C / 125 °C |
| Lämpötila-alue, kiinteä johto, alkaen / päättyen (°C) | -40 °C / 125 °C |
Luokitukset
mehrweniger| eCl@ss 11.1 | 27-44-01-09 |
| ETIM 9.0 | EC003569 |
Trade-Compliance
mehrweniger| Copper (9903.78.01) | 0.001519 kg |
Turvallisuushuomautukset
- Liittimiä ei saa asentaa tai irrottaa kuormituksen alaisena. Laitteiden noudattamatta jättäminen ja virheellinen käyttö voi johtaa henkilövahinkoihin.
- Liittimet on kehitetty käyttökohteisiin tehdas-, ohjaus- ja sähkölaitteiden rakentamisessa. Käyttäjän vastuulla on tarkistaa, voidaanko liittimiä käyttää myös muilla sovellusalueilla.
- Liittimen tahattoman avaamisen estämiseksi kotelon ja liitinpään välinen lanka on kiinnitettävä sopivalla syanoakrylaattiliimalla, kun sitä käytetään piireissä, joiden jännite on vaarallinen koskettaa. Tämä ei koske liittimiä, joita käytetään SELV- ja PELV-piireissä standardin IEC 61140 (EN 61140, VDE 0140-1) mukaisesti.
- Pistokeliittimet, joita käytetään piireissä, joissa on vaarallinen kosketusjännite, saa asentaa ja käyttää vain sähkötekniikan koulutuksen saaneet henkilöt tai heidän valvonnassaan ottaen huomioon sovellettavat määräykset ja standardit.
- Käyttäjän on toteutettava asianmukaiset turvatoimenpiteet, jotta liitintä ei voida vahingossa irrottaa.
- Liittimet, joiden suojausluokka on IP67 ja IP68, eivät sovellu käytettäväksi veden alla. Ulkona käytettäessä liittimet on suojattava erikseen korroosiolta. Lisätietoja IP-suojausluokista on teknisten tietojen latauskeskuksessa.
- Kaapeliliittimen lukitsemiseksi laiteliittimellä kierteitetty rengas kiristetään "käsin tiukasti" (noin 60 cNm).
- Käyttäjän on toteutettava asianmukaiset turvatoimet sen varmistamiseksi, ettei liitintä voi vahingossa irrottaa. Lisäksi käyttäjän on varmistettava, että kaapeli on kiinnitetty asianmukaisesti.
Lataukset
Tietolomake
Tietolomake 09 3432 284 04
download
REACH
09 3432 284 04
download
RoHS
09 3432 284 04
download
China RoHS
09 3432 284 04
download
EPLAN-tiedot
09 3432 284 04
download
Vahvista ladattavaksi
Suorita vahvistus jatkaaksesi CAD-latausta.
CAD-tiedot
Valitse haluamasi muoto



