Нет заказа: 99 3782 210 08
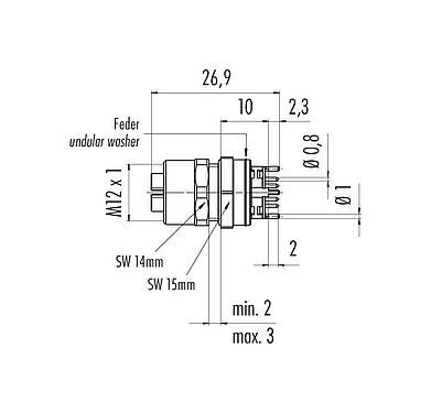
M12 Фланцевая розетка, Количество полюсов: 8, экранируемый, THT, IP67, UL, M12x1,0, Фронтальное крепление, литой
M12-X, серия 876, Средства автоматизации - передача данных
Общие характеристики
большеменьше| Номер для заказа | 99 3782 210 08 |
| Конструкция соединителя | Фланцевая розетка |
| Стандарт типа | DIN EN 61076-2-109 |
| Кодировка | X-кодированные |
| Версия | Pазъем розетка прямой |
| Система фиксации разъема | винты |
| Концевая заделка | THT |
| Степень защиты | IP67 |
| Температурный диапазон от/до | -40 °C / 85 °C |
| Механическая операция | > 100 циклов соединения |
| Вес (г) | 11.91 |
| Номер таможенного тарифа | 85369010 |
| Страна происхождения | DE |
Электрические параметры
большеменьше| Номинальное напряжение | 50 V (AC) / 60 V (DC) |
| Номинальный ток | 0,5 A |
| Сопротивление изоляции | > 108 Ω |
| Степень загрязнения | 3 |
| Скорость передачи | CAT 6A |
| Категория перенапряжения | II |
| Группа материала | III |
| Соответствие EMV | экранируемый |
| Подключение экрана | Штырь экрана |
Материал
большеменьше| Материал корпуса | CuZn (никелированная латунь) |
| Материал тела контакта | ПА |
| Материал контакта | CuSn (бронза) |
| Покрытие контактов | Au (золото) |
| Фиксирующий материал | CuZn (латунь) |
| REACH SVHC |
CAS 7439-92-1 (Lead) |
| Наличие PFAS | 1a581655-917f-4a99-a8d1-144cc9006220 |
Авторизация/утверждение
большеменьше| Approvals | UL |
Классификация
большеменьше| eCl@ss 11.1 | 27-44-01-02 |
| ETIM 9.0 | EC002635 |
Уведомления о безопасности
- Запрещается соединять и рассоединять разъемы под нагрузкой. Несоблюдение этого требования и неправильное использование могут привести к травмам.
- Эти разъемы были разработаны для применения в производственном, контрольном и электрическом оборудовании. Пользователь сам должен убедиться, что эти разъемы можно использовать и в других областях применения.
- Разъемы, которые используются в цепях с опасным напряжением, могут устанавливаться и эксплуатироваться только лицами, прошедшими обучение по электротехнике, или под их надзором, а также с учетом действующих норм и стандартов.
- Пользователь должен принять необходимые меры безопасности, чтобы исключить случайное рассоединение разъема.
- Штекерные разъемы, оболочка которых обеспечивает степень защиты IP67 и IP68, не подходят для использования под водой. При использовании вне помещений штекерные разъемы необходимо отдельно защищать от коррозии. Подробнее о классах защиты IP см. в центре материалов для скачивания «Техническая информация».
- Следует учитывать степень загрязнения и категорию перенапряжения. Подробнее см. в центре материалов для скачивания «Техническая информация».
- Чтобы соединить кабельный разъем с разъемом устройства, необходимо от руки (ок. 60 сНм)затянуть резьбовое кольцо .
Загрузки
Проспект изделия
Проспект изделия 99 3782 210 08
скачать
Сертификат
сертификат UL
скачать
REACH
99 3782 210 08
скачать
RoHS
99 3782 210 08
скачать
China RoHS
99 3782 210 08
скачать
Данные EPLAN
99 3782 210 08
скачать
Проверка для загрузки
Пожалуйста, завершите проверку для продолжения загрузки CAD.
CAD-файлы
Выберите нужный формат




