Нет заказа: 70 3784 706 08
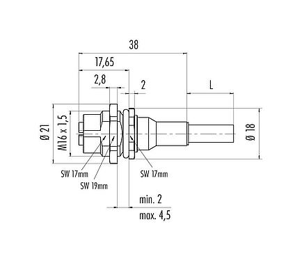
M12 Фланцевая розетка, Количество полюсов: 8, экранированный, с собранным кабелем, IP67, UL, M16x1,5, Ethernet, PUR, зеленый, 4 x 2 x AWG 26/7, Монтаж задней стенки, 0,5 м
M12-X, серия 876, Средства автоматизации - передача данных
Общие характеристики
большеменьше| Номер для заказа | 70 3784 706 08 |
| Конструкция соединителя | Фланцевая розетка |
| Стандарт типа | DIN EN 61076-2-109 |
| Кодировка | X-кодированные |
| Длина кабеля | 0,5 м (Другие длины поставляются по запросу). |
| Версия | Pазъем розетка прямой |
| Система фиксации разъема | винты |
| Концевая заделка | с собранным кабелем |
| Степень защиты | IP67 |
| Сечение соединения | 4 x 2 x AWG 26 |
| Температурный диапазон от/до | -40 °C / 85 °C |
| Механическая операция | > 100 циклов соединения |
| Вес (г) | 41.00 |
| Номер таможенного тарифа | 85444290 |
| Страна происхождения | DE |
Электрические параметры
большеменьше| Номинальное напряжение | 50 V (AC) / 60 V (DC) |
| Номинальный ток | 0,5 A |
| Сопротивление изоляции | > 108 Ω |
| Степень загрязнения | 3 |
| Скорость передачи | CAT 6A |
| Категория перенапряжения | II |
| Группа материала | III |
| Соответствие EMV | экранированный |
| Подключение экрана | Экранирование на корпусе |
Материал
большеменьше| Материал корпуса | Цинк никелированный, литой под давлением |
| Материал тела контакта | ПА |
| Материал контакта | CuSn (бронза) |
| Покрытие контактов | Au (золото) |
| Фиксирующий материал | Цинк никелированный, литой под давлением |
| REACH SVHC |
CAS 7439-92-1 (Lead) |
| Наличие PFAS | 47d1f86c-43e1-4e18-80ef-acb2f8aa134d |
Параметры кабеля
большеменьше| Структура кабеля | |
| Тип кабеля | Ethernet |
| Диаметр кабеля | 6,2 mm |
| Сечение | 4 x 2 x AWG 26/7 |
| материал корпуса | PUR |
| Изолированный с одним выводом | PE |
| Конструкция с одним выводом | AWG 26/7 |
| Цвет кабеля | зеленый |
| Электрические свойства | |
| Сопротивление проводника | 145 Ω/Km (20°C) |
| Механические свойства | |
| Радиус сгиба кабель фиксированный | ≥ 8 x Ø |
| Термические свойства | |
| Температурный диапазон кабель в движении от/до | -10 °C / 60 °C |
| Температурный диапазон кабель фиксированный от/до | -40 °C / 85 °C |
| Прочие характеристики | |
| Без галогена | да |
Авторизация/утверждение
большеменьше| Approvals | UL |
Классификация
большеменьше| eCl@ss 11.1 | 27-06-03-11 |
| ETIM 9.0 | EC002638 |
Заявления о соответствии
большеменьше| Директива по RoHS | EN IEC 63000:2018 |
Уведомления о безопасности
- Запрещается соединять и рассоединять разъемы под нагрузкой. Несоблюдение этого требования и неправильное использование могут привести к травмам.
- Эти разъемы были разработаны для применения в производственном, контрольном и электрическом оборудовании. Пользователь сам должен убедиться, что эти разъемы можно использовать и в других областях применения.
- Разъемы, которые используются в цепях с опасным напряжением, могут устанавливаться и эксплуатироваться только лицами, прошедшими обучение по электротехнике, или под их надзором, а также с учетом действующих норм и стандартов.
- Пользователь должен принять необходимые меры безопасности, чтобы исключить случайное рассоединение разъема.
- Штекерные разъемы, оболочка которых обеспечивает степень защиты IP67 и IP68, не подходят для использования под водой. При использовании вне помещений штекерные разъемы необходимо отдельно защищать от коррозии. Подробнее о классах защиты IP см. в центре материалов для скачивания «Техническая информация».
- Следует учитывать степень загрязнения и категорию перенапряжения. Подробнее см. в центре материалов для скачивания «Техническая информация».
- Чтобы соединить кабельный разъем с разъемом устройства, необходимо от руки (ок. 60 сНм)затянуть резьбовое кольцо .
Загрузки
Проспект изделия
Проспект изделия 70 3784 706 08
скачать
Сертификат
сертификат UL
скачать
REACH
70 3784 706 08
скачать
RoHS
70 3784 706 08
скачать
China RoHS
70 3784 706 08
скачать
Заявления о соответствии
Директива по RoHS
скачать
Заявление о соответствии UKCA
UK-RoHS
скачать
Данные EPLAN
70 3784 706 08
скачать
Проверка для загрузки
Пожалуйста, завершите проверку для продолжения загрузки CAD.
CAD-файлы
Выберите нужный формат



