Нет заказа: 86 0639 1000 00044
M12 Фланцевая заглушка, Количество полюсов: 4, не экранированный, THT, IP68, UL 2238, M16x1,5, Монтаж задней стенки
M12-T, серия 813, Средства автоматизации - подача напряжения и электропитание
Общие характеристики
большеменьше| Номер для заказа |
86 0639 1000 00044
Старый номер изделия: 09 0631 90 04
|
| Внимание |
Обратите внимание, что, в связи с переходом со старых номеров заказа на новые, могут быть отклонения технических характеристик. Чтобы узнать об изделии подробнее, пользуйтесь приведенной справа формой «Связаться с клиентской поддержкой».
больше |
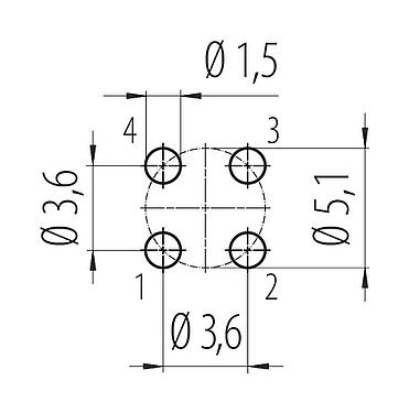
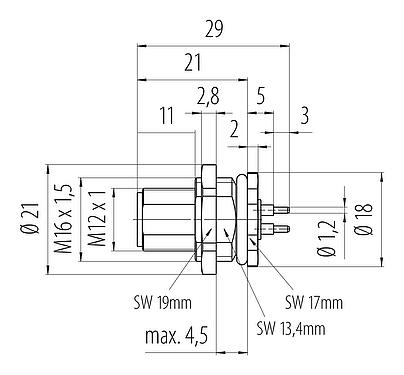
| Конструкция соединителя | Фланцевая заглушка |
| Стандарт типа | DIN EN IEC 61076-2-111:2018-10;VDE 0687-76-2-111:2018-10 |
| Кодировка | T-кодированные |
| Версия | Pразъем вилка прямой |
| Система фиксации разъема | винты |
| Концевая заделка | THT |
| Степень защиты | IP68 |
| Сечение соединения | макс. 1,50 мм² / AWG 16 |
| Температурный диапазон от/до | -40 °C / 85 °C |
| Механическая операция | > 100 циклов соединения |
| Вес (г) | 14.55 |
| Номер таможенного тарифа | 85369010 |
| Страна происхождения | DE |
Электрические параметры
большеменьше| Номинальное напряжение | 63 V |
| Номинальное импульсное напряжение | 1500 V |
| Номинальный ток | 12,0 A |
| Степень загрязнения | 3 |
| Категория перенапряжения | III |
| Группа материала | II |
| Соответствие EMV | не экранированный |
Материал
большеменьше| Материал тела контакта | ПА |
| Материал контакта | CuZn (латунь) |
| Покрытие контактов | Au (золото) |
| REACH SVHC |
CAS 7439-92-1 (Lead) |
| Наличие PFAS | ebafe351-7f0b-41a2-97cb-fb21dca4f667 |
Авторизация/утверждение
большеменьше| Approvals | UL 2238 |
Классификация
большеменьше| eCl@ss 11.1 | 27-44-01-09 |
| ETIM 9.0 | EC003569 |
Заявления о соответствии
большеменьше| Директива ЕС по низковольтному оборудованию | 2014/35/EU (EN 60204-1:2018 | 2011/65/EU; EN IEC 63000:2018 | 2014/35/EU;EN 60529:1991) |
| Директива по EMC | 2011/65/EU ( EN IEC 63000:2018) |
| Директива по RoHS | 2011/65/EU ( EN IEC 63000:2018) |
| Директива по экодизайну | 2011/65/EU ( EN IEC 63000:2018) |
Уведомления о безопасности
- Запрещается соединять и рассоединять разъемы под нагрузкой. Несоблюдение этого требования и неправильное использование могут привести к травмам.
- Эти разъемы были разработаны для применения в производственном, контрольном и электрическом оборудовании. Пользователь сам должен убедиться, что эти разъемы можно использовать и в других областях применения.
- Разъемы, которые используются в цепях с опасным напряжением, могут устанавливаться и эксплуатироваться только лицами, прошедшими обучение по электротехнике, или под их надзором, а также с учетом действующих норм и стандартов.
- Пользователь должен принять необходимые меры безопасности, чтобы исключить случайное рассоединение разъема.
- Штекерные разъемы, оболочка которых обеспечивает степень защиты IP67 и IP68, не подходят для использования под водой. При использовании вне помещений штекерные разъемы необходимо отдельно защищать от коррозии. Подробнее о классах защиты IP см. в центре материалов для скачивания «Техническая информация».
- Следует учитывать степень загрязнения и категорию перенапряжения. Подробнее см. в центре материалов для скачивания «Техническая информация».
- Чтобы соединить кабельный разъем с разъемом устройства, необходимо от руки (ок. 60 сНм)затянуть резьбовое кольцо .
Загрузки
Проспект изделия
Проспект изделия 86 0639 1000 00044
скачать
Сертификат
сертификат UL
скачать
REACH
86 0639 1000 00044
скачать
RoHS
86 0639 1000 00044
скачать
China RoHS
86 0639 1000 00044
скачать
Заявления о соответствии
Директива ЕС по низковольтному оборудованию
скачать
Заявление о соответствии UKCA
Электрооборудование
скачать
Заявления о соответствии
Директива по EMC
скачать
Заявления о соответствии
Директива по RoHS
скачать
Заявление о соответствии UKCA
UK-RoHS
скачать
Заявления о соответствии
Директива по экодизайну
скачать
Проверка для загрузки
Пожалуйста, завершите проверку для продолжения загрузки CAD.
CAD-файлы
Выберите нужный формат




