Нет заказа: 76 0245 0134 00035-0200
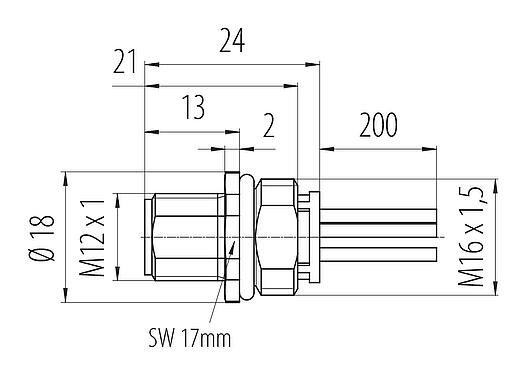
M12 Фланцевая заглушка, Количество полюсов: 5, не экранированный, одножильные провода, IP68, UL 2238, M16x1,5, Фронтальное крепление, литой
M12-K, серия 824, Средства автоматизации - подача напряжения и электропитание
Общие характеристики
большеменьше| Номер для заказа |
76 0245 0134 00035-0200
Старый номер изделия: 09 0701 400 05
|
| Внимание |
Обратите внимание, что, в связи с переходом со старых номеров заказа на новые, могут быть отклонения технических характеристик. Чтобы узнать об изделии подробнее, пользуйтесь приведенной справа формой «Связаться с клиентской поддержкой».
больше |
| Конструкция соединителя | Фланцевая заглушка |
| Стандарт типа | DIN EN IEC 61076-2-111:2018-10;VDE 0687-76-2-111:2018-10 |
| Кодировка | K-кодированные |
| Длина провода | 0,2 м (Стандартная длина 0,2 м.Другие длины поставляются по запросу). |
| Версия | Pразъем вилка прямой |
| Система фиксации разъема | винты |
| Концевая заделка | одножильные провода |
| Степень защиты | IP68 |
| Сечение соединения | 2,50 мм² / AWG 14 |
| Температурный диапазон от/до | -40 °C / 85 °C |
| Механическая операция | > 100 циклов соединения |
| Вес (г) | 33.91 |
| Номер таможенного тарифа | 85369010 |
| Страна происхождения | DE |
Электрические параметры
большеменьше| Номинальное напряжение | 630 V |
| Номинальное импульсное напряжение | 6000 V |
| Номинальный ток | 12,0 A |
| Сопротивление изоляции | > 1010 Ω |
| Степень загрязнения | 3 |
| Категория перенапряжения | III |
| Группа материала | II |
| Соответствие EMV | не экранированный |
Материал
большеменьше| Материал корпуса | CuZn (никелированная латунь) |
| Материал тела контакта | ПА |
| Материал контакта | CuZn (латунь) |
| Покрытие контактов | Au (золото) |
| REACH SVHC |
CAS 7439-92-1 (Lead) |
| Наличие PFAS | 99db47a8-7bb5-4b8d-84a2-d0fe06445833 |
Данные по лизным проводам
большеменьше| Структура провода | |
| Сечение (мм²) | 5 x 2,50 мм² |
| Сечение (AWG) | 5 x AWG 14 |
| Диаметр провода | 2,8 mm |
| Цвет провода |
желтый/зеленый черный |
| Материал оболочки | mPPE |
| Материал провода | Медь (луженая) |
| Структура провода | 41 x 0,254 мм |
| Электрические свойства | |
| Номинальное напряжение | 1000 V |
| Номинальное импульсное напряжение | 3000 V |
| Сопротивление провода | 8,96 Ω/Km (20°C) |
| Сопротивление изоляции | 20,0 MΩ/км (20 °C) |
| Термические свойства | |
| Диапазон температур провода при перемещении от / до (°C) | -10 °C / 105 °C |
| Диапазон температур провода от / до (°C) | -40 °C / 105 °C |
Авторизация/утверждение
большеменьше| Approvals | UL 2238 |
Классификация
большеменьше| eCl@ss 11.1 | 27-44-01-09 |
| ETIM 9.0 | EC003569 |
Уведомления о безопасности
- Запрещается соединять и рассоединять разъемы под нагрузкой. Несоблюдение этого требования и неправильное использование могут привести к травмам.
- Эти разъемы были разработаны для применения в производственном, контрольном и электрическом оборудовании. Пользователь сам должен убедиться, что эти разъемы можно использовать и в других областях применения.
- Разъемы, которые используются в цепях с опасным напряжением, могут устанавливаться и эксплуатироваться только лицами, прошедшими обучение по электротехнике, или под их надзором, а также с учетом действующих норм и стандартов.
- Пользователь должен принять необходимые меры безопасности, чтобы исключить случайное рассоединение разъема.
- Штекерные разъемы, оболочка которых обеспечивает степень защиты IP67 и IP68, не подходят для использования под водой. При использовании вне помещений штекерные разъемы необходимо отдельно защищать от коррозии. Подробнее о классах защиты IP см. в центре материалов для скачивания «Техническая информация».
- Следует учитывать степень загрязнения и категорию перенапряжения. Подробнее см. в центре материалов для скачивания «Техническая информация».
- Чтобы соединить кабельный разъем с разъемом устройства, необходимо от руки (ок. 60 сНм)затянуть резьбовое кольцо .
- В случае кабельных разъемов с металлическим резьбовым кольцом необходимо обеспечить соединение с защитным контактом PE разъема прибора. Подключение кабелей между разъемами прибора, не подключенными к заземляющему контакту, не допускается. Пользователь должен обеспечить непрерывное подключение проводника защитного заземления.
Загрузки
Проспект изделия
Проспект изделия 76 0245 0134 00035-0200
скачать
Сертификат
сертификат UL
скачать
REACH
76 0245 0134 00035-0200
скачать
RoHS
76 0245 0134 00035-0200
скачать
China RoHS
76 0245 0134 00035-0200
скачать
Проверка для загрузки
Пожалуйста, завершите проверку для продолжения загрузки CAD.
CAD-файлы
Выберите нужный формат



