Нет заказа: 77 3834 0000 50004-0200
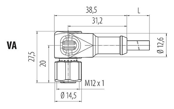
M12 Угловая розетка, Количество полюсов: 4, не экранированный, формовка на кабеле, IP68/IP69K, UL 2238, PUR, черный, 4 x 0.34 мм², со светодиодом PNP, нержавеющая сталь, 2 м
M12-A, серия 763, Средства автоматизации - датчики и сервоприводы
Общие характеристики
большеменьше| Номер для заказа | 77 3834 0000 50004-0200 |
| Конструкция соединителя | Угловая розетка |
| Стандарт типа | DIN EN 61076-2-101 |
| Кодировка | A-кодированные |
| Длина кабеля | 2 м (Стандартные длины 2 м и 5 м. Другие длины поставляются по запросу). |
| Версия | Pазъем розетка угловой |
| Система фиксации разъема | винты |
| Концевая заделка | формовка на кабеле |
| Степень защиты | IP68/IP69K |
| Сечение соединения | 0,34 мм² / AWG 22 |
| Температурный диапазон от/до | -25 °C / 90 °C |
| Механическая операция | > 100 циклов соединения |
| Вес (г) | 503.42 |
| Номер таможенного тарифа | 85444290 |
| Страна происхождения | DE |
Электрические параметры
большеменьше| Номинальное напряжение | 10 - 30 V |
| Номинальное импульсное напряжение | 500 V |
| Номинальный ток | 4,0 A |
| Сопротивление изоляции | ≥ 1010 Ω |
| Степень загрязнения | 3 |
| Категория перенапряжения | II |
| Группа материала | II |
| Соответствие EMV | не экранированный |
Материал
большеменьше| Материал корпуса | PUR |
| Материал тела контакта | PUR |
| Материал контакта | CuSn (бронза) |
| Покрытие контактов | Au (золото) |
| Фиксирующий материал | Hержавеющая сталь |
| REACH SVHC |
None (No pollutants) |
| Наличие PFAS | SCIP-number not available |
Параметры кабеля
большеменьше| Структура кабеля | |
| Диаметр кабеля | 4,7 mm |
| Сечение | 4 x 0.34 мм² |
| материал корпуса | PUR |
| Изолированный с одним выводом | PP9Y Полиуретан без галогена |
| Конструкция с одним выводом | 43 x 0,10 мм |
| Цвет кабеля | черный |
| Электрические свойства | |
| Сопротивление проводника | 60 Ω/Km (20°C) |
| Механические свойства | |
| Радиус сгиба кабель фиксированный | ≥ 5 x Ø |
| Радиус сгиба кабель подвижный | ≥ 10 x Ø |
| Циклы изгиба | > 5 млн |
| Допустимое ускорение | ≥ 5 м/с² |
| Ход, по горизонтали | ≥ 5 м |
| Ход, по вертикали | ≥ 5 м |
| Скорость хода | ≤ 200 м/мин |
| Термические свойства | |
| Температурный диапазон кабель в движении от/до | -25 °C / 80 °C |
| Температурный диапазон кабель фиксированный от/до | -50 °C / 80 °C |
| Прочие характеристики | |
| Без галогена | да |
Авторизация/утверждение
большеменьше| Approvals | UL 2238 |
Классификация
большеменьше| eCl@ss 11.1 | 27-06-03-11 |
| ETIM 9.0 | EC002638 |
Заявления о соответствии
большеменьше| Директива по RoHS | EN IEC 63000:2018 |
Уведомления о безопасности
- Запрещается соединять и рассоединять разъемы под нагрузкой. Несоблюдение этого требования и неправильное использование могут привести к травмам.
- Эти разъемы были разработаны для применения в производственном, контрольном и электрическом оборудовании. Пользователь сам должен убедиться, что эти разъемы можно использовать и в других областях применения.
- Для защиты от непреднамеренного открытия разъема резьбовое соединение между корпусом и головкой следует зафиксировать подходящим цианоакрилатным клеем, если разъем используется в цепях с опасным напряжением. Это не касается разъемов, применяемых в цепях SELV и PELV согласно IEC 61140 (EN 61140, VDE 0140-1).
- Разъемы, которые используются в цепях с опасным напряжением, могут устанавливаться и эксплуатироваться только лицами, прошедшими обучение по электротехнике, или под их надзором, а также с учетом действующих норм и стандартов.
- Пользователь должен принять необходимые меры безопасности, чтобы исключить случайное рассоединение разъема.
- Штекерные разъемы, оболочка которых обеспечивает степень защиты IP67 и IP68, не подходят для использования под водой. При использовании вне помещений штекерные разъемы необходимо отдельно защищать от коррозии. Подробнее о классах защиты IP см. в центре материалов для скачивания «Техническая информация».
- Следует учитывать степень загрязнения и категорию перенапряжения. Подробнее см. в центре материалов для скачивания «Техническая информация».
- Чтобы соединить кабельный разъем с разъемом устройства, необходимо от руки (ок. 60 сНм)затянуть резьбовое кольцо .
- Оговоренный класс защиты применяется при условии, что четыре монтажных отверстия выполнены глухими.
Загрузки
Проспект изделия
Проспект изделия 77 3834 0000 50004-0200
скачать
Сертификат
сертификат UL
скачать
REACH
77 3834 0000 50004-0200
скачать
RoHS
77 3834 0000 50004-0200
скачать
China RoHS
77 3834 0000 50004-0200
скачать
Заявления о соответствии
Директива по RoHS
скачать
Заявление о соответствии UKCA
UK-RoHS
скачать
Проверка для загрузки
Пожалуйста, завершите проверку для продолжения загрузки CAD.
CAD-файлы
Выберите нужный формат



