Encomenda não: 08 2629 400 001
Snap-in Adaptador, desprotegido, aparafusado pela frente
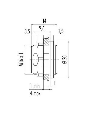
Snap-in IP67 (subminiatura), Série 620, Conectores na versão Medical Grade
Características gerais
maismenos| Número de pedido | 08 2629 400 001 |
| Design do Conector | Adaptador |
| Versão | Adaptador |
| Peso (gr) | 3.89 |
| Número de tarifa alfandegária | 85369010 |
Parâmetros elétricos
maismenos| Conformidade EMV | desprotegido |
Material
maismenos| Material de caixa | PA GF 25 |
| REACH SVHC |
CAS 7439-92-1 (Lead) |
| PFAS presente | c78e92ee-8897-42f9-9ff0-d9a973ae2737 |
Classificações
maismenos| eCl@ss 11.1 | 27-44-02-08 |
| ETIM 9.0 | EC002638 |
Avisos de segurança
- O conector não deve ser plugado ou desconectado sob carga. O não cumprimento e o uso impróprio podem resultar em danos pessoais.
- Os conectores foram desenvolvidos para aplicações em engenharia de instalações, controle e construção de equipamentos elétricos. O usuário é responsável por verificar se os conectores também podem ser usados em outras áreas de aplicação.
- Conectores que são usados em circuitos com tensões perigosas ao toque só podem ser instalados e usados por, ou sob a supervisão de, pessoas com treinamento em engenharia elétrica, levando em conta os regulamentos e normas aplicáveis.
- O usuário deve tomar as devidas precauções de segurança para garantir que o conector não possa ser desligado acidentalmente.
- Os conectores com proteção IP67 e IP68 não são adequados para uso sob água. Quando utilizados ao ar livre, os conectores devem ser protegidos separadamente contra a corrosão. Para maiores informações sobre as classes de proteção IP, consulte o centro de download "Informações Técnicas".
- Favor observar o grau de poluição e a categoria de sobretensão. Para maiores informações, consulte o centro de download "Informações Técnicas".
Downloads
Folha de dados
Folha de dados 08 2629 400 001
download
REACH
08 2629 400 001
download
RoHS
08 2629 400 001
download
China RoHS
08 2629 400 001
download
Verificar para transferir
Conclua a verificação para prosseguir com o download do CAD.
Dados CAD
selecione o formato desejado



