Encomenda não: 09 0411 35 04
M9 Bujão flangeado, Contatos: 4, blindável, THT, IP67, M12x0,5, Montagem no painel traseiro, moldado
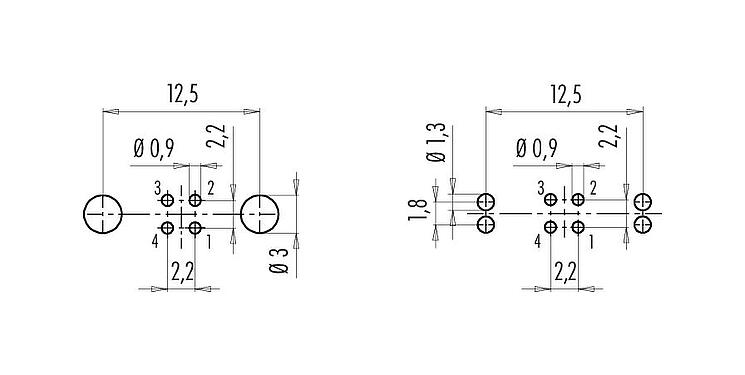
M9 IP67, Série 712, Conector subminiatura
Características gerais
maismenos| Número de pedido | 09 0411 35 04 |
| Design do Conector | Bujão flangeado |
| Versão | Pino conector reto |
| Sistema de travamento do conector | parafuso |
| Terminação | THT |
| Grau de proteção | IP67 |
| Faixa de temperatura de / a | -40 °C / 85 °C |
| Operação mecânica | > 500 Ciclos de conexão |
| Peso (gr) | 10.60 |
| Número de tarifa alfandegária | 85369010 |
| País de origem | DE |
Parâmetros elétricos
maismenos| Tensão nominal | 125 V |
| Tensão de impulso nominal | 1500 V |
| Corrente nominal (40 ° C) | 3,0 A |
| Resistência de isolamento | ≥ 108 Ω |
| Grau de poluição | 1 |
| Categoria de sobretensão | II |
| Grupo material | III |
| Conformidade EMV | blindável |
| Conexão de tela | Chapa de proteção |
Material
maismenos| Material do corpo de contato | PA (UL94 V-0) |
| Material de contato | CuZn (latão) |
| Chapa de contato | Ow (Ouro) |
| REACH SVHC |
CAS 7439-92-1 (Lead) |
| PFAS presente | 384a53f4-deb7-4947-b110-d9c0c4f3e761 |
Classificações
maismenos| eCl@ss 11.1 | 27-44-01-09 |
| ETIM 9.0 | EC003569 |
Trade-Compliance
maismenos| Copper (9903.78.01) | 0.001013 kg |
Avisos de segurança
- O conector não deve ser plugado ou desconectado sob carga. O não cumprimento e o uso impróprio podem resultar em danos pessoais.
- Os conectores foram desenvolvidos para aplicações em engenharia de instalações, controle e construção de equipamentos elétricos. O usuário é responsável por verificar se os conectores também podem ser usados em outras áreas de aplicação.
- Os conectores com proteção IP67 e IP68 não são adequados para uso sob água. Quando utilizados ao ar livre, os conectores devem ser protegidos separadamente contra a corrosão. Para maiores informações sobre as classes de proteção IP, consulte o centro de download "Informações Técnicas".
Downloads
Folha de dados
Folha de dados 09 0411 35 04
download
REACH
09 0411 35 04
download
RoHS
09 0411 35 04
download
China RoHS
09 0411 35 04
download
Dados EPLAN
09 0411 35 04
download
Verificar para transferir
Conclua a verificação para prosseguir com o download do CAD.
Dados CAD
selecione o formato desejado




