Encomenda não: 09 0339 90 16
M16 Bujão flangeado, Contatos: 16, desprotegido, THT, IP40, M18x0,75, Montagem no painel traseiro
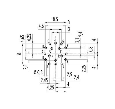
M16 IP40, Série 680, Conectores miniatura
Características gerais
maismenos| Número de pedido | 09 0339 90 16 |
| Design do Conector | Bujão flangeado |
| Versão | Pino conector reto |
| Sistema de travamento do conector | parafuso |
| Terminação | THT |
| Grau de proteção | IP40 |
| Faixa de temperatura de / a | -40 °C / 85 °C |
| Operação mecânica | > 500 Ciclos de conexão |
| Peso (gr) | 11.98 |
| Número de tarifa alfandegária | 85369010 |
| País de origem | DE |
Parâmetros elétricos
maismenos| Tensão nominal | 60 V |
| Tensão de impulso nominal | 500 V |
| Corrente nominal (40 ° C) | 3,0 A |
| Resistência de isolamento | ≥ 1010 Ω |
| Grau de poluição | 1 |
| Categoria de sobretensão | I |
| Grupo material | III |
| Conformidade EMV | desprotegido |
Material
maismenos| Material de caixa | Zinco fundido sob pressão, niquelado |
| Material do corpo de contato | PBT (UL94 V-0) |
| Material de contato | CuZn (latão) |
| Chapa de contato | Ow (Ouro) |
| REACH SVHC |
CAS 7439-92-1 (Lead) |
| PFAS presente | 893e6c55-379f-418a-b843-0b4177e60711 |
Classificações
maismenos| eCl@ss 11.1 | 27-44-01-09 |
| ETIM 9.0 | EC003569 |
Avisos de segurança
- O conector não deve ser plugado ou desconectado sob carga. O não cumprimento e o uso impróprio podem resultar em danos pessoais.
- Os conectores foram desenvolvidos para aplicações em engenharia de instalações, controle e construção de equipamentos elétricos. O usuário é responsável por verificar se os conectores também podem ser usados em outras áreas de aplicação.
- Conectores que são usados em circuitos com tensões perigosas ao toque só podem ser instalados e usados por, ou sob a supervisão de, pessoas com treinamento em engenharia elétrica, levando em conta os regulamentos e normas aplicáveis.
- O usuário deve tomar as devidas precauções de segurança para garantir que o conector não possa ser desligado acidentalmente.
- Favor observar o grau de poluição e a categoria de sobretensão. Para maiores informações, consulte o centro de download "Informações Técnicas".
- Para travar o conector do cabo com o conector do dispositivo, o anel roscado é apertado "à mão" (aproximadamente 60 cNm).
Downloads
Folha de dados
Folha de dados 09 0339 90 16
download
REACH
09 0339 90 16
download
RoHS
09 0339 90 16
download
China RoHS
09 0339 90 16
download
Dados EPLAN
09 0339 90 16
download
Verificar para transferir
Conclua a verificação para prosseguir com o download do CAD.
Dados CAD
selecione o formato desejado




