Encomenda não: 99 9207 490 03
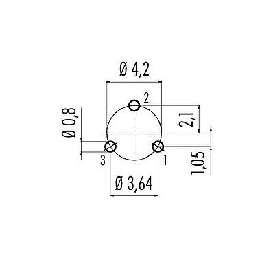
Snap-in Bujão flangeado, Contatos: 3, desprotegido, THT, IP67, M8x0,75, Montagem frontal
Snap-in IP67 (subminiatura), Série 620, Conectores na versão Medical Grade
Características gerais
maismenos| Número de pedido | 99 9207 490 03 |
| Design do Conector | Bujão flangeado |
| Versão | Pino conector reto |
| Sistema de travamento do conector | snap-in |
| Terminação | THT |
| Grau de proteção | IP67 |
| Faixa de temperatura de / a | -25 °C / 85 °C |
| Operação mecânica | > 500 Ciclos de conexão |
| Peso (gr) | 1.87 |
| Número de tarifa alfandegária | 85369010 |
| País de origem | DE |
Parâmetros elétricos
maismenos| Tensão nominal | 125 V |
| Tensão de impulso nominal | 1500 V |
| Corrente nominal (40 ° C) | 3,0 A |
| Resistência de isolamento | ≥ 1010 Ω |
| Grau de poluição | 2 |
| Categoria de sobretensão | II |
| Grupo material | II |
| Conformidade EMV | desprotegido |
Material
maismenos| Material de caixa | PA |
| Material do corpo de contato | PA (UL94 HB) cinza |
| Material de contato | CuZn (latão) |
| Chapa de contato | Ow (Ouro) |
| REACH SVHC |
CAS 7439-92-1 (Lead) |
| PFAS presente | b39d3b40-7233-440b-ba77-fd2c1b4ad5d1 |
Classificações
maismenos| eCl@ss 11.1 | 27-44-01-02 |
| ETIM 9.0 | EC002635 |
Avisos de segurança
- O conector não deve ser plugado ou desconectado sob carga. O não cumprimento e o uso impróprio podem resultar em danos pessoais.
- Os conectores foram desenvolvidos para aplicações em engenharia de instalações, controle e construção de equipamentos elétricos. O usuário é responsável por verificar se os conectores também podem ser usados em outras áreas de aplicação.
- Conectores que são usados em circuitos com tensões perigosas ao toque só podem ser instalados e usados por, ou sob a supervisão de, pessoas com treinamento em engenharia elétrica, levando em conta os regulamentos e normas aplicáveis.
- O usuário deve tomar as devidas precauções de segurança para garantir que o conector não possa ser desligado acidentalmente.
- Os conectores com proteção IP67 e IP68 não são adequados para uso sob água. Quando utilizados ao ar livre, os conectores devem ser protegidos separadamente contra a corrosão. Para maiores informações sobre as classes de proteção IP, consulte o centro de download "Informações Técnicas".
- Favor observar o grau de poluição e a categoria de sobretensão. Para maiores informações, consulte o centro de download "Informações Técnicas".
Downloads
Folha de dados
Folha de dados 99 9207 490 03
download
REACH
99 9207 490 03
download
RoHS
99 9207 490 03
download
China RoHS
99 9207 490 03
download
Dados EPLAN
99 9207 490 03
download
Verificar para transferir
Conclua a verificação para prosseguir com o download do CAD.
Dados CAD
selecione o formato desejado




