Encomenda não: 99 3385 00 03
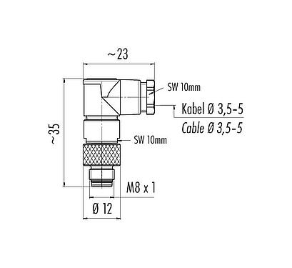
M8 Plugue angular, Contatos: 3, 3,5-5,0 mm, desprotegido, solda, IP67, UL 2238
M8, Série 768, Tecnologia de automação - sensores e atuadores
Características gerais
maismenos| Número de pedido | 99 3385 00 03 |
| Design do Conector | Plugue angular |
| Tipo padrão | DIN EN 61076-2-104 |
| Codificação | codificados em A |
| Versão | Pino de conexão em ângulo |
| Sistema de travamento do conector | parafuso |
| Terminação | solda |
| Grau de proteção | IP67 |
| Seção transversal da conexão | 0,25 mm² / AWG 24 |
| Tomada de cabo | 3,5-5,0 mm |
| Torção | 90° (4 opções de codificação) |
| Faixa de temperatura de / a | -40 °C / 85 °C |
| Operação mecânica | > 100 Ciclos de conexão |
| Peso (gr) | 8.31 |
| Número de tarifa alfandegária | 85369010 |
| País de origem | DE |
Parâmetros elétricos
maismenos| Tensão nominal | 60 V (UL 30 V) |
| Tensão de impulso nominal | 1500 V |
| Corrente nominal (40 ° C) | 4,0 A |
| Grau de poluição | 3 |
| Categoria de sobretensão | III |
| Grupo material | III |
| Conformidade EMV | desprotegido |
Material
maismenos| Material de caixa | PA |
| Material do corpo de contato | PA |
| Material de contato | CuZn (latão) |
| Chapa de contato | Ow (Ouro) |
| Material de bloqueio | CuZn (latão) |
| REACH SVHC |
CAS 7439-92-1 (Lead) |
| PFAS presente | 2eb29908-5dee-4766-b0ae-7cd9594f87bf |
Autorizações / aprovações
maismenos| Approvals | UL 2238 |
Classificações
maismenos| eCl@ss 11.1 | 27-44-01-02 |
| ETIM 9.0 | EC002635 |
Declarações de conformidade
maismenos| Diretivas de Baixa Tensão | EN 60529:1991 | EN 60204-1:2018 |
Avisos de segurança
- O conector não deve ser plugado ou desconectado sob carga. O não cumprimento e o uso impróprio podem resultar em danos pessoais.
- Os conectores foram desenvolvidos para aplicações em engenharia de instalações, controle e construção de equipamentos elétricos. O usuário é responsável por verificar se os conectores também podem ser usados em outras áreas de aplicação.
- Para proteger contra abertura não intencional do conector, a rosca entre a carcaça e o cabeçote do conector deve ser fixada com um adesivo adequado de cianoacrilato quando usado em circuitos com tensões perigosas ao toque. Isto não se aplica aos conectores utilizados nos circuitos SELV e PELV de acordo com a norma IEC 61140 (EN 61140, VDE 0140-1).
- Conectores que são usados em circuitos com tensões perigosas ao toque só podem ser instalados e usados por, ou sob a supervisão de, pessoas com treinamento em engenharia elétrica, levando em conta os regulamentos e normas aplicáveis.
- O usuário deve tomar as devidas precauções de segurança para garantir que o conector não possa ser desligado acidentalmente.
- Os conectores com proteção IP67 e IP68 não são adequados para uso sob água. Quando utilizados ao ar livre, os conectores devem ser protegidos separadamente contra a corrosão. Para maiores informações sobre as classes de proteção IP, consulte o centro de download "Informações Técnicas".
- Favor observar o grau de poluição e a categoria de sobretensão. Para maiores informações, consulte o centro de download "Informações Técnicas".
- Para travar o conector do cabo com o conector do dispositivo, o anel roscado é apertado "à mão" (aproximadamente 50 cNm).
Downloads
Folha de dados
Folha de dados 99 3385 00 03
download
Certificado
Certificado UL
download
REACH
99 3385 00 03
download
RoHS
99 3385 00 03
download
China RoHS
99 3385 00 03
download
Declaração de conformidade CE
Diretivas de Baixa Tensão
download
Declaração de conformidade UKCA
Equipamento elétrico
download
Verificar para transferir
Conclua a verificação para prosseguir com o download do CAD.
Dados CAD
selecione o formato desejado


