Encomenda não: 76 2832 0111 00008-0200
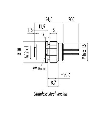
M12 Soquete de flange, Contatos: 8, desprotegido, fios simples, IP68/IP69K, UL 2238, M16x1,5, Montagem frontal, Aço inoxidável, posicionável, moldado
M12-A, Série 763, Tecnologia de automação - sensores e atuadores
Características gerais
maismenos| Número de pedido | 76 2832 0111 00008-0200 |
| Aviso |
Favor notar que devido à mudança do número de pedido antigo para o novo, pode haver desvios nas especificações técnicas. Para perguntas detalhadas sobre o produto, favor usar o módulo "Contate o Serviço de Atendimento ao Cliente" no lado direito deste website.
mais |
| Design do Conector | Soquete de flange |
| Codificação | codificados em A |
| Comprimento do cabo | 0,2 m (Standard 0,2 m. Outros comprimentos estão disponíveis mediante solicitação). |
| Versão | Conector de plugue tomada reta |
| Sistema de travamento do conector | parafuso |
| Terminação | fios simples |
| Grau de proteção | IP68/IP69K |
| Seção transversal da conexão | 0,25 mm² / AWG 24 |
| Faixa de temperatura de / a | -40 °C / 85 °C |
| Operação mecânica | > 100 Ciclos de conexão |
| Peso (gr) | 35.00 |
| Número de tarifa alfandegária | 85369010 |
| País de origem | DE |
Parâmetros elétricos
maismenos| Tensão nominal | 30 V |
| Tensão de impulso nominal | 800 V |
| Corrente nominal (40 ° C) | 2 A (UL 1,5 A) |
| Resistência de isolamento | > 108 Ω |
| Grau de poluição | 3 |
| Grupo material | III |
| Conformidade EMV | desprotegido |
Material
maismenos| Material do corpo de contato | PA preto |
| Material de contato | CuSn (bronze) |
| Chapa de contato | Ow (Ouro) |
| REACH SVHC |
CAS 7439-92-1 (Lead) |
| PFAS presente | 3c7d53a9-5e12-41b0-bb7c-f8bec7ab8342 |
Dados sobre fios trançados
maismenos| Estrutura do fio | |
| Seção transversal (mm²) | 8 x 0,25 mm² |
| Seção transversal (AWG) | 8 x AWG 24 |
| Diâmetro do fio | 1,5 mm |
| Cores do fio |
branco marrom verde amarelo cinza rosa azul vermelho |
| Material da bainha | PVC |
| Material do fio | Cu (estanhado) |
| Estrutura do fio | 7 x 0,203 mm |
| Propriedades elétricas | |
| Tensão nominal | 300 V |
| Tensão de impulso nominal | 3000 V |
| Resistência do fio | 90 Ω/Km (20°C) |
| Resistência de isolamento | 20,0 MΩ/Km (20 °C) |
| Propriedades térmicas | |
| Faixa de temperatura movimento de / a (°C) | -10 °C / 105 °C |
| Faixa de temperatura fixada de / a (°C) | -30 °C / 105 °C |
Autorizações / aprovações
maismenos| Approvals | UL 2238 |
Classificações
maismenos| ETIM 9.0 | EC003570 |
Avisos de segurança
- O conector não deve ser plugado ou desconectado sob carga. O não cumprimento e o uso impróprio podem resultar em danos pessoais.
- Os conectores foram desenvolvidos para aplicações em engenharia de instalações, controle e construção de equipamentos elétricos. O usuário é responsável por verificar se os conectores também podem ser usados em outras áreas de aplicação.
- Para proteger contra abertura não intencional do conector, a rosca entre a carcaça e o cabeçote do conector deve ser fixada com um adesivo adequado de cianoacrilato quando usado em circuitos com tensões perigosas ao toque. Isto não se aplica aos conectores utilizados nos circuitos SELV e PELV de acordo com a norma IEC 61140 (EN 61140, VDE 0140-1).
- Conectores que são usados em circuitos com tensões perigosas ao toque só podem ser instalados e usados por, ou sob a supervisão de, pessoas com treinamento em engenharia elétrica, levando em conta os regulamentos e normas aplicáveis.
- O usuário deve tomar as devidas precauções de segurança para garantir que o conector não possa ser desligado acidentalmente.
- Os conectores com proteção IP67 e IP68 não são adequados para uso sob água. Quando utilizados ao ar livre, os conectores devem ser protegidos separadamente contra a corrosão. Para maiores informações sobre as classes de proteção IP, consulte o centro de download "Informações Técnicas".
- Para travar o conector do cabo com o conector do dispositivo, o anel roscado é apertado "à mão" (aproximadamente 60 cNm).
- O usuário deve tomar precauções de segurança adequadas para garantir que o conector não possa ser desconectado acidentalmente. Além disso, o usuário deve garantir que o cabo esteja adequadamente fixado.
Downloads
Folha de dados
Folha de dados 76 2832 0111 00008-0200
download
Certificado
Certificado UL
download
REACH
76 2832 0111 00008-0200
download
RoHS
76 2832 0111 00008-0200
download
China RoHS
76 2832 0111 00008-0200
download
Dados CAD
STP-Dados 76 2832 0111 00008-0200
download
Dados CAD
Outros formatos
TraceParts



