Numer części: 09 0174 300 08
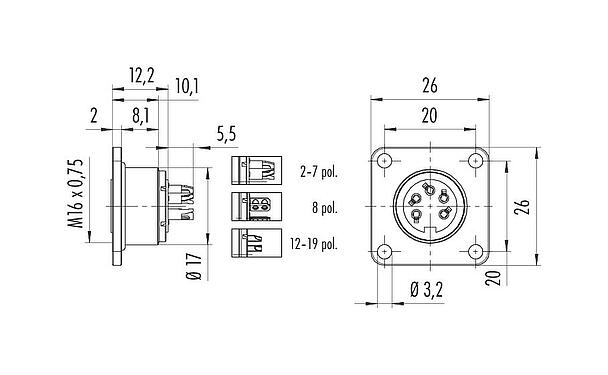
M16 Zeńskie złącze do montażu panelowego z kwadratowym kołnierzem, Kontaktów: 8 (08-a), nieekranowany, lutowanie, IP68, UL 2238, Zgodność z AISG, M3 (4x), Montaż z przodu
M16 IP67, seria 723, Złącze miniaturowe
Cechy ogólne
więcejmniej| Numer części | 09 0174 300 08 |
| Konstrukcja złączy | Zeńskie złącze do montażu panelowego z kwadratowym kołnierzem |
| Typ standardowy | DIN EN 61076-2-106 |
| Wersja | Złącze żeńskie proste |
| System blokady złączy | śruba |
| Obtrysk na kablu | lutowanie |
| Stopień ochrony | IP68 |
| Przekrój przyłącza | 0,75 mm² / AWG 18 |
| Zakres temperatur od/do | -40 °C / 95 °C |
| Ilość cykli łączenia | > 500 cykli łączenia |
| Waga (gr) | 10.07 |
| Numer taryfy celnej | 85369010 |
| Kraj pochodzenia | DE |
Parametry elektryczne
więcejmniej| Napięcie znamionowe | 60 V |
| Znamionowe napięcie udarowe | 500 V |
| Prąd znamionowy | 5,0 A |
| Rezystancja izolacji kabla | ≥ 1010 Ω |
| Stopień zanieczyszczenia | 1 |
| Kategoria przepięciowa | I |
| Grupa materiałowa | III |
| Zgodność z EMV | nieekranowany |
Materiał
więcejmniej| Materiał styków | Odlew cynkowy, niklowany |
| Materiał korpusu styków | PBT (UL94V-0) |
| Materiał styku | CuSn (brąz) |
| Pokrycie styku | Ag (srebro) |
| Materiał elementu blokującego | Odlew cynkowy, niklowany |
| REACH SVHC |
None (No pollutants) |
| Obecność PFAS | SCIP-number not available |
Zezwolenia/zatwierdzenia
więcejmniej| Wstęp | UL 2238, Zgodność z AISG |
Klasyfikacje
więcejmniej| eCl@ss 11.1 | 27-44-01-09 |
| ETIM 9.0 | EC003569 |
Trade-Compliance
więcejmniej| Copper (9903.78.01) | 0.005570 kg |
Uwagi dotyczące bezpieczeństwa
- Wtyczki nie wolno podłączać ani odłączać pod obciążeniem. Nieprzestrzeganie i niewłaściwe użytkowanie może spowodować obrażenia ciała.
- Złącza zostały stworzone do zastosowań w inżynierii instalacji, sterowaniu i budowie wyposażenia elektrycznego. Użytkownik jest odpowiedzialny za sprawdzenie, czy złącza mogą być używane również do innych zastosowań.
- Złącza stosowane w obwodach o napięciach niebezpiecznych w dotyku mogą być instalowane i używane wyłącznie przez osoby z wykształceniem elektrotechnicznym lub pod ich nadzorem, z uwzględnieniem obowiązujących przepisów i norm.
- Złącza wtykowe o stopniu ochrony IP67 i IP68 nie nadają się do stosowania pod wodą. W przypadku stosowania na zewnątrz złącza wtykowe należy oddzielnie zabezpieczyć przed korozją. Więcej informacji na temat klas ochrony IP można znaleźć w centrum pobierania w sekcji "Informacje Techniczne".
- Należy zwrócić uwagę na stopień zanieczyszczenia i kategorię przepięciową. Więcej informacji można znaleźć w centrum pobierania w sekcji "Informacje Techniczne".
- Aby zblokować złącze kablowe w złączu urządzenia, gwintowany pierścień jest 'ręcznie' dokręcany (ok. 60 cNm).
Pliki
Arkusz danych
Arkusz danych 09 0174 300 08
pobierz
Certyfikat
Certyfikat UL
pobierz
REACH
09 0174 300 08
pobierz
RoHS
09 0174 300 08
pobierz
China RoHS
09 0174 300 08
pobierz
Weryfikacja do pobrania
Ukończ weryfikację, aby kontynuować pobieranie CAD.
Dane CAD
Wybierz żądany format


