Cikkszám: 99 9116 490 05
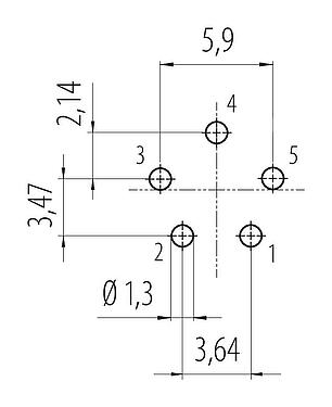
Snap-In panelre szerelhető foglalat, : 5, árnyékolatlan, THT, IP67, M12x1,0, elülső rögzítés
Snap-In IP67 (miniatűr), 720-es sorozat, Csatlakozók Medical Grade kivitelben
Általános jellemzők
továbbkevesebb| Alkatrész sz. | 99 9116 490 05 |
| Csatlakozó kialakítása | panelre szerelhető foglalat |
| Verzió | Csatlakozó aljzat egyenes |
| Rögzítés módja | bepattintós |
| Csatlakoztatás típusa | THT |
| Védelmi szint | IP67 |
| Csatlakozási keresztmetszet | max. 0,75 mm² / AWG 18 |
| Hőmérséklet tartomány tól/ig | -25 °C / 85 °C |
| Mechanikus élettartam | > 500 csatlakoztatási ciklusok |
| Tömeg (gr) | 6.32 |
| Vámtarifaszám | 85369010 |
| Származási ország | DE |
Elektromos paraméterek
továbbkevesebb| Névleges feszültség | 125 V |
| Névleges impulzusfeszültség | 1500 V |
| Névleges áramerősség | 5,0 A |
| Szigetelési ellenállás | ≥ 1010 Ω |
| Szennyezettségi fok | 2 |
| Túlfeszültség kategória | II |
| Anyagcsoport | II |
| EMV megfelelőség | árnyékolatlan |
Anyag
továbbkevesebb| A ház anyaga | PA |
| Az érintkező test anyaga | PA (UL94 V-0) szürke |
| Érintkező anyaga | CuSn (bronz) |
| Érintkező bevonat | Au (arany) |
| REACH SVHC |
CAS 7439-92-1 (Lead) |
| Jelen lévő PFAS | 74f34412-ddfb-4394-8ac9-335e1e2c4c37 |
Osztályozások
továbbkevesebb| eCl@ss 11.1 | 27-44-01-02 |
| ETIM 9.0 | EC002635 |
Trade-Compliance
továbbkevesebb| Copper (9903.78.01) | 0.001008 kg |
Biztonsági figyelmeztetések
- The connector must not be plugged or unplugged under load. Non-observance and improper use can result in personal injury.
- The connectors have been developed for applications in plant engineering, control and electrical equipment construction. The user is responsible for checking whether the connectors can also be used in other areas of application.
- Connectors which are used in circuits with voltages dangerous to the touch may only be installed and used by, or under the supervision of, persons with electrical engineering training, taking into account the applicable regulations and standards.
- The user must take suitable safety precautions to ensure that the connector cannot be accidentally disconnected.
- Plug connectors with enclosure protection IP67 and IP68 are not suitable for use under water. When used outdoors, the plug connectors must be protected separately against corrosion. For further information on the IP protection classes, please refer to the "Technical Information" download centre.
- Please observe the pollution degree and the overvoltage category. For further information, please refer to the download center "Technical Information".
Letöltések
Adatlap
Adatlap 99 9116 490 05
Letöltés
REACH
99 9116 490 05
Letöltés
RoHS
99 9116 490 05
Letöltés
China RoHS
99 9116 490 05
Letöltés
EPLAN adatok
99 9116 490 05
Letöltés
Ellenőrzés a letöltéshez
Kérjük, fejezze be az ellenőrzést a CAD letöltés folytatásához.
CAD fájlok
Válassza ki a kívánt formátumot




