Cikkszám: 72 9139 000 04
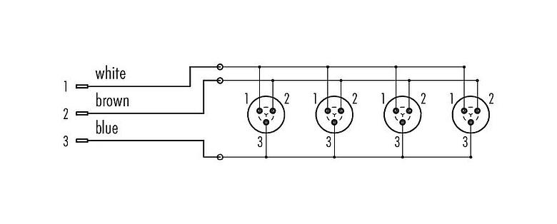
Snap-In 4 utas elosztó, : 3, árnyékolatlan, csatlakoztatható, IP67
Snap-In IP67, 720-es sorozat, Miniatűr csatlakozók
Általános jellemzők
továbbkevesebb| Alkatrész sz. | 72 9139 000 04 |
| Csatlakozó kialakítása | 4 utas elosztó |
| Verzió | elosztó |
| Rögzítés módja | bepattintós |
| Csatlakoztatás típusa | csatlakoztatható |
| Védelmi szint | IP67 |
| Hőmérséklet tartomány tól/ig | -40 °C / 85 °C |
| Mechanikus élettartam | > 500 csatlakoztatási ciklusok |
| Tömeg (gr) | 146.94 |
| Vámtarifaszám | 85369010 |
Elektromos paraméterek
továbbkevesebb| Névleges feszültség | 250 V |
| Névleges impulzusfeszültség | 2500 V |
| Névleges áramerősség | 7,0 A |
| Szigetelési ellenállás | > 108 Ω |
| Szennyezettségi fok | 2 |
| Anyagcsoport | II |
| EMV megfelelőség | árnyékolatlan |
Anyag
továbbkevesebb| A ház anyaga | PA66 (UL94 HB) |
| Az érintkező test anyaga | PA fekete |
| Érintkező anyaga | CuSn (bronz) |
| Érintkező bevonat | Au (arany) |
| REACH SVHC |
CAS 7439-92-1 (Lead) |
| Jelen lévő PFAS | 521b4b52-f4d6-47af-8b7f-805044f55e06 |
Osztályozások
továbbkevesebb| eCl@ss 11.1 | 27-06-03-11 |
| ETIM 9.0 | EC002638 |
Megfelelőségi nyilatkozatok
továbbkevesebb| Kisfeszültségű irányelv | EN 60529:1991 | EN 60204-1:2018 |
Biztonsági figyelmeztetések
- The connector must not be plugged or unplugged under load. Non-observance and improper use can result in personal injury.
- The connectors have been developed for applications in plant engineering, control and electrical equipment construction. The user is responsible for checking whether the connectors can also be used in other areas of application.
- Connectors which are used in circuits with voltages dangerous to the touch may only be installed and used by, or under the supervision of, persons with electrical engineering training, taking into account the applicable regulations and standards.
- The user must take suitable safety precautions to ensure that the connector cannot be accidentally disconnected.
- Plug connectors with enclosure protection IP67 and IP68 are not suitable for use under water. When used outdoors, the plug connectors must be protected separately against corrosion. For further information on the IP protection classes, please refer to the "Technical Information" download centre.
- Please observe the pollution degree and the overvoltage category. For further information, please refer to the download center "Technical Information".
Letöltések
Adatlap
Adatlap 72 9139 000 04
Letöltés
REACH
72 9139 000 04
Letöltés
RoHS
72 9139 000 04
Letöltés
China RoHS
72 9139 000 04
Letöltés
EU megfelelőségi nyilatkozat
Kisfeszültségű irányelv
Letöltés
UKCA megfelelőségi nyilatkozat
Elektromos berendezések
Letöltés
Ellenőrzés a letöltéshez
Kérjük, fejezze be az ellenőrzést a CAD letöltés folytatásához.
CAD fájlok
Válassza ki a kívánt formátumot


