Cikkszám: 09 0131 68 12
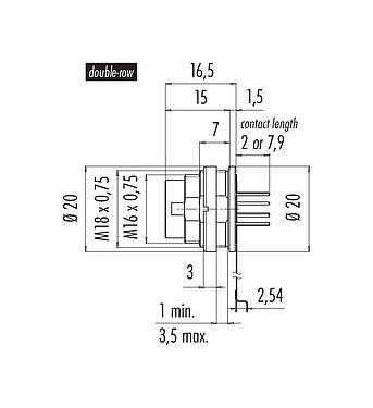
M16 panelre szerelhető csatlakozó, : 12 (12-a), árnyékolatlan, THT, IP68, AISG konform, M18x0,75, hátsó panel felszerelés
M16 IP67, 723-es sorozat, Miniatűr csatlakozók
Általános jellemzők
továbbkevesebb| Alkatrész sz. | 09 0131 68 12 |
| Csatlakozó kialakítása | panelre szerelhető csatlakozó |
| Szabványos típus | DIN EN 61076-2-106 |
| Verzió | Csatlakozó stift egyenes |
| Rögzítés módja | csavar |
| Csatlakoztatás típusa | THT |
| Védelmi szint | IP68 |
| Hőmérséklet tartomány tól/ig | -40 °C / 95 °C |
| Mechanikus élettartam | > 500 csatlakoztatási ciklusok |
| Tömeg (gr) | 14.47 |
| Vámtarifaszám | 85369010 |
| Származási ország | DE |
Elektromos paraméterek
továbbkevesebb| Névleges feszültség | 60 V |
| Névleges impulzusfeszültség | 500 V |
| Névleges áramerősség | 3,0 A |
| Szigetelési ellenállás | ≥ 1010 Ω |
| Szennyezettségi fok | 1 |
| Túlfeszültség kategória | I |
| Anyagcsoport | III |
| EMV megfelelőség | árnyékolatlan |
Anyag
továbbkevesebb| A ház anyaga | nikkelezett cinköntvény |
| Az érintkező test anyaga | PBT (UL94 V-0) |
| Érintkező anyaga | CuZn (sárgaréz) |
| Érintkező bevonat | Ag (ezüst) |
| Érintkezés hossza | 2,0 mm |
| REACH SVHC |
CAS 7439-92-1 (Lead) |
| Jelen lévő PFAS | da704ec3-87bb-4000-943d-1243ff98d17a |
Tanúsítások
továbbkevesebb| Tanúsítások | AISG konform |
Osztályozások
továbbkevesebb| eCl@ss 11.1 | 27-44-01-09 |
| ETIM 9.0 | EC003569 |
Biztonsági figyelmeztetések
- The connector must not be plugged or unplugged under load. Non-observance and improper use can result in personal injury.
- The connectors have been developed for applications in plant engineering, control and electrical equipment construction. The user is responsible for checking whether the connectors can also be used in other areas of application.
- Connectors which are used in circuits with voltages dangerous to the touch may only be installed and used by, or under the supervision of, persons with electrical engineering training, taking into account the applicable regulations and standards.
- Plug connectors with enclosure protection IP67 and IP68 are not suitable for use under water. When used outdoors, the plug connectors must be protected separately against corrosion. For further information on the IP protection classes, please refer to the "Technical Information" download centre.
- Please observe the pollution degree and the overvoltage category. For further information, please refer to the download center "Technical Information".
- To lock the cable connector with the device connector, the threaded ring is tightened "hand-tight" (approx. 60 cNm).
Letöltések
Adatlap
Adatlap 09 0131 68 12
Letöltés
REACH
09 0131 68 12
Letöltés
RoHS
09 0131 68 12
Letöltés
China RoHS
09 0131 68 12
Letöltés
EPLAN adatok
09 0131 68 12
Letöltés
Ellenőrzés a letöltéshez
Kérjük, fejezze be az ellenőrzést a CAD letöltés folytatásához.
CAD fájlok
Válassza ki a kívánt formátumot



