Cikkszám: 09 0473 700 08
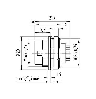
M16 panelre szerelhető csatlakozó, : 8 (08-a), árnyékolatlan, krimpelés (a krimpelő érintkezőket külön kell rendelni), IP40, M18x0,75, elülső rögzítés
M16 IP40, 680-es sorozat, Miniatűr csatlakozók
Általános jellemzők
továbbkevesebb| Alkatrész sz. | 09 0473 700 08 |
| Csatlakozó kialakítása | panelre szerelhető csatlakozó |
| Szabványos típus | DIN EN 61076-2-106 |
| Verzió | Csatlakozó stift egyenes |
| Rögzítés módja | csavar |
| Csatlakoztatás típusa | krimpelés (a krimpelő érintkezőket külön kell rendelni) |
| Védelmi szint | IP40 |
| Csatlakozási keresztmetszet | További információért kattintson ide |
| Hőmérséklet tartomány tól/ig | -40 °C / 85 °C |
| Mechanikus élettartam | > 500 csatlakoztatási ciklusok |
| Tömeg (gr) | 10.16 |
| Vámtarifaszám | 85369010 |
| Származási ország | DE |
Elektromos paraméterek
továbbkevesebb| Névleges feszültség | 60 V |
| Névleges impulzusfeszültség | 500 V |
| Névleges áramerősség | 5,0 A |
| Szigetelési ellenállás | ≥ 1010 Ω |
| Szennyezettségi fok | 1 |
| Túlfeszültség kategória | I |
| Anyagcsoport | III |
| EMV megfelelőség | árnyékolatlan |
Anyag
továbbkevesebb| A ház anyaga | nikkelezett cinköntvény |
| Az érintkező test anyaga | PBT (UL94 V-0) |
| Érintkező anyaga | a crimpelt érintkezőtől függően (tartozékok) |
| REACH SVHC |
CAS 7439-92-1 (Lead) |
| Jelen lévő PFAS | c84942fe-76b4-43e3-980c-2940510cecc7 |
Osztályozások
továbbkevesebb| eCl@ss 11.1 | 27-44-01-09 |
| ETIM 9.0 | EC003569 |
Biztonsági figyelmeztetések
- The connector must not be plugged or unplugged under load. Non-observance and improper use can result in personal injury.
- The connectors have been developed for applications in plant engineering, control and electrical equipment construction. The user is responsible for checking whether the connectors can also be used in other areas of application.
- Connectors which are used in circuits with voltages dangerous to the touch may only be installed and used by, or under the supervision of, persons with electrical engineering training, taking into account the applicable regulations and standards.
- The user must take suitable safety precautions to ensure that the connector cannot be accidentally disconnected.
- Please observe the pollution degree and the overvoltage category. For further information, please refer to the download center "Technical Information".
- To lock the cable connector with the device connector, the threaded ring is tightened "hand-tight" (approx. 60 cNm).
Letöltések
Adatlap
Adatlap 09 0473 700 08
Letöltés
REACH
09 0473 700 08
Letöltés
RoHS
09 0473 700 08
Letöltés
China RoHS
09 0473 700 08
Letöltés
EPLAN adatok
09 0473 700 08
Letöltés
Crimp érintkezők és tartozékok
Tartozékok adatlapja
Letöltés
Ellenőrzés a letöltéshez
Kérjük, fejezze be az ellenőrzést a CAD letöltés folytatásához.
CAD fájlok
Válassza ki a kívánt formátumot



