Cikkszám: 09 2451 100 05
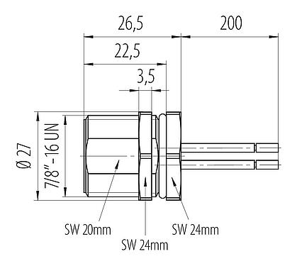
7/8" panelre szerelhető csatlakozó, : 4+PE, árnyékolatlan, sodrott vezeték, IP68, UL 2238, VDE, elülső rögzítés, öntött
7/8", 820-es sorozat, Automatizálási technológia - feszültség tápellátás
Általános jellemzők
továbbkevesebb| Alkatrész sz. | 09 2451 100 05 |
| Csatlakozó kialakítása | panelre szerelhető csatlakozó |
| Vezeték hossza | 0,2 m (Standard 0,2 m. Kérésre más hosszúságok is rendelhetők). |
| Verzió | Csatlakozó stift egyenes |
| Rögzítés módja | csavar |
| Csatlakoztatás típusa | sodrott vezeték |
| Védelmi szint | IP68 |
| Csatlakozási keresztmetszet | 0,75 mm² / AWG 18 |
| Hőmérséklet tartomány tól/ig | -25 °C / 85 °C |
| Mechanikus élettartam | > 100 csatlakoztatási ciklusok |
| Tömeg (gr) | 61.00 |
| Vámtarifaszám | 85369010 |
| Származási ország | DE |
Elektromos paraméterek
továbbkevesebb| Névleges feszültség | 300 V (600 V UL) |
| Névleges impulzusfeszültség | 4000 V |
| Névleges áramerősség | 6,0 A |
| Szennyezettségi fok | 3 |
| Túlfeszültség kategória | III |
| Anyagcsoport | I |
| EMV megfelelőség | árnyékolatlan |
Anyag
továbbkevesebb| A ház anyaga | nikkelezett cinköntvény |
| Az érintkező test anyaga | PUR |
| Érintkező anyaga | CuZn (sárgaréz) |
| Érintkező bevonat | Au (arany) |
| REACH SVHC |
CAS 7439-92-1 (Lead) |
| Jelen lévő PFAS | a3a66ff1-dbcb-4871-821f-6f8693e620ed |
Adatok a sodrott huzalokról
továbbkevesebb| A vezeték szerkezete | |
| Keresztmetszet (mm²) | 5 x 0,14 mm² |
| Keresztmetszet (AWG) | 5 x AWG 18 |
| Vezetékátmérő | 2,9 mm |
| Vezetékszínek |
sárga zöld barna kék fehér fekete |
| Köpeny anyaga | PVC |
| Vezeték anyaga | Cu (ónozott) |
| Vezeték szerkezete | 28 x 0,20 mm |
| Elektromos tulajdonságok | |
| Névleges feszültség | 600 V |
| Névleges lökőfeszültség | 6000 V |
| Hőtulajdonságok | |
| Hőmérséklet-tartomány vezeték mozgás közben / -tól / -ig (°C) | -5 °C / 105 °C |
| Hőmérséklet-tartomány vezeték rögzítve / -tól (°C) | -30 °C / 105 °C |
Tanúsítások
továbbkevesebb| Tanúsítások | UL 2238, VDE |
Osztályozások
továbbkevesebb| eCl@ss 11.1 | 27-44-01-09 |
| ETIM 9.0 | EC003569 |
Biztonsági figyelmeztetések
- The connector must not be plugged or unplugged under load. Non-observance and improper use can result in personal injury.
- The connectors have been developed for applications in plant engineering, control and electrical equipment construction. The user is responsible for checking whether the connectors can also be used in other areas of application.
- Connectors which are used in circuits with voltages dangerous to the touch may only be installed and used by, or under the supervision of, persons with electrical engineering training, taking into account the applicable regulations and standards.
- The user must take suitable safety precautions to ensure that the connector cannot be accidentally disconnected.
- Plug connectors with enclosure protection IP67 and IP68 are not suitable for use under water. When used outdoors, the plug connectors must be protected separately against corrosion. For further information on the IP protection classes, please refer to the "Technical Information" download centre.
- Please observe the pollution degree and the overvoltage category. For further information, please refer to the download center "Technical Information".
- To lock the cable connector to the device connector, we recommend tightening the threaded ring to 1.5 Nm. A suitable torque wrench is available as an accessory (order no. 07 0082 000).
Letöltések
Adatlap
Adatlap 09 2451 100 05
Letöltés
Tanúsítvány
UL tanúsítvány
Letöltés
Tanúsítvány
VDE tanúsítvány
Letöltés
REACH
09 2451 100 05
Letöltés
RoHS
09 2451 100 05
Letöltés
China RoHS
09 2451 100 05
Letöltés
EPLAN adatok
09 2451 100 05
Letöltés
Ellenőrzés a letöltéshez
Kérjük, fejezze be az ellenőrzést a CAD letöltés folytatásához.
CAD fájlok
Válassza ki a kívánt formátumot

