Cikkszám: 86 6218 0002 00003
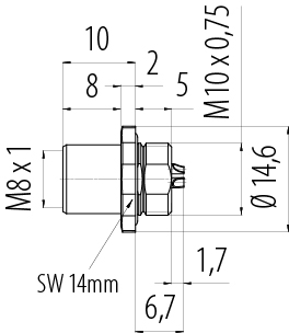
M8 panelre szerelhető foglalat, : 3, kézi forrasztású, IP67/IP69K, M10x0,75, elülső rögzítés, forrasztócsészékkel
M8, 718-es sorozat, Automatizálási technológia - érzékelők és aktuátorok
Általános jellemzők
továbbkevesebb| Alkatrész sz. | 86 6218 0002 00003 |
| Csatlakozó kialakítása | panelre szerelhető foglalat |
| Verzió | panelre szerelhető csatlakozó |
| Rögzítés módja | csavar |
| Csatlakoztatás típusa | kézi forrasztású |
| Védelmi szint | IP67/IP69K |
| Csatlakozási keresztmetszet | 0.14-0.34 mm² / AWG 22 |
| Hőmérséklet tartomány tól/ig | -40 °C / 85 °C |
| Tömeg (gr) | 5.16 |
| Vámtarifaszám | 85369010 |
| Származási ország | DE |
Elektromos paraméterek
továbbkevesebb| Névleges feszültség | 50 V (AC ) / 60 V (DC) |
| Névleges impulzusfeszültség | 1500 V |
| Névleges áramerősség | 2 A (0,14 mm²)/4 A |
| Szigetelési ellenállás | > 108 Ω |
| Szennyezettségi fok | 3 |
| Túlfeszültség kategória | III |
| Anyagcsoport | II |
Anyag
továbbkevesebb| A ház anyaga | CuZn (nikkelezett sárgaréz) |
| Érintkező anyaga | CuSn (bronz) |
| Érintkező bevonat | Au (arany) |
| REACH SVHC |
None (No pollutants) |
| Jelen lévő PFAS | SCIP-number not available |
Megfelelőségi nyilatkozatok
továbbkevesebb| Kisfeszültségű irányelv | 2014/35/EU (EN 60529:1991 | 2014/35/EU;EN 60204-1:2018) |
Biztonsági figyelmeztetések
- The connector must not be plugged or unplugged under load. Non-observance and improper use can result in personal injury.
- The connectors have been developed for applications in plant engineering, control and electrical equipment construction. The user is responsible for checking whether the connectors can also be used in other areas of application.
- Connectors which are used in circuits with voltages dangerous to the touch may only be installed and used by, or under the supervision of, persons with electrical engineering training, taking into account the applicable regulations and standards.
- The user must take suitable safety precautions to ensure that the connector cannot be accidentally disconnected.
- Plug connectors with enclosure protection IP67 and IP68 are not suitable for use under water. When used outdoors, the plug connectors must be protected separately against corrosion. For further information on the IP protection classes, please refer to the "Technical Information" download centre.
- Please observe the pollution degree and the overvoltage category. For further information, please refer to the download center "Technical Information".
- To lock the cable connector with the device connector, the threaded ring is tightened "hand-tight" (approx. 40 cNm). A torque wrench for SW9 is available as an accessory (order no. 07 0085 000).
Letöltések
Adatlap
Adatlap 86 6218 0002 00003
Letöltés
REACH
86 6218 0002 00003
Letöltés
RoHS
86 6218 0002 00003
Letöltés
China RoHS
86 6218 0002 00003
Letöltés
EU megfelelőségi nyilatkozat
Kisfeszültségű irányelv
Letöltés
UKCA megfelelőségi nyilatkozat
Elektromos berendezések
Letöltés
CAD fájlok
STP-Adat 86 6218 0002 00003
Letöltés
CAD fájlok
Egyéb formátumok
TraceParts




