Cikkszám: 76 6319 1111 00004-0200
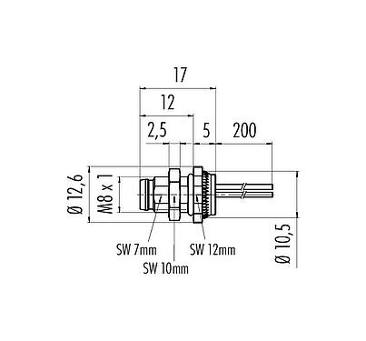
M8 panelre szerelhető csatlakozó, : 4, árnyékolatlan, sodrott vezeték, IP67, UL 2238, M8x1,0, hátsó panel felszerelés, öntött
M8, 718-es sorozat, Automatizálási technológia - érzékelők és aktuátorok
Általános jellemzők
továbbkevesebb| Alkatrész sz. |
76 6319 1111 00004-0200
Régi termékszám: 09 3421 86 04
|
| Megjegyzés |
Felhívjuk figyelmét, hogy a régi rendelési számról az új rendelési számra történő átállás miatt eltérések lehetnek a műszaki leírásban. A termékkel kapcsolatos részletes kérdések esetén kérjük, használja a "Kapcsolatfelvétel az ügyfélszolgálattal" modult, amely a weboldal jobb oldalán található.
tovább |
| Csatlakozó kialakítása | panelre szerelhető csatlakozó |
| Szabványos típus | DIN EN 61076-2-104 |
| Programmazione | A-kódolt |
| Vezeték hossza | 0,2 m (Standard 0,2 m. Kérésre más hosszúságok is rendelhetők). |
| Verzió | Csatlakozó stift egyenes |
| Rögzítés módja | bepattint + csavaros rögzítés |
| Csatlakoztatás típusa | sodrott vezeték |
| Védelmi szint | IP67 |
| Csatlakozási keresztmetszet | 0,25 mm² / AWG 24 |
| Hőmérséklet tartomány tól/ig | -40 °C / 85 °C |
| Mechanikus élettartam | > 100 csatlakoztatási ciklusok |
| Tömeg (gr) | 7.56 |
| Vámtarifaszám | 85369010 |
| Származási ország | DE |
Elektromos paraméterek
továbbkevesebb| Névleges feszültség | 50 V (AC ) / 60 V (DC) |
| Névleges impulzusfeszültség | 1500 V |
| Névleges áramerősség | 4,0 A |
| Szennyezettségi fok | 3 |
| Túlfeszültség kategória | II |
| Anyagcsoport | II |
| EMV megfelelőség | árnyékolatlan |
Anyag
továbbkevesebb| A ház anyaga | nikkelezett cinköntvény |
| Az érintkező test anyaga | PA fekete |
| Érintkező anyaga | CuZn (sárgaréz) |
| Érintkező bevonat | Au (arany) |
| REACH SVHC |
CAS 7439-92-1 (Lead) |
| Jelen lévő PFAS | 38a1a834-57c5-4e9e-95c8-93d6736e864f |
Adatok a sodrott huzalokról
továbbkevesebb| A vezeték szerkezete | |
| Keresztmetszet (mm²) | 4 x 0,25 mm² |
| Keresztmetszet (AWG) | 4 x AWG 24 |
| Vezetékátmérő | 1,5 mm |
| Vezetékszínek |
fehér barna kék fekete |
| Köpeny anyaga | PVC |
| Vezeték anyaga | Cu (ónozott) |
| Vezeték szerkezete | 7 x 0,203 mm |
| Elektromos tulajdonságok | |
| Névleges feszültség | 300 V |
| Névleges lökőfeszültség | 3000 V |
| Vezeték ellenállása | 90 Ω/Km (20°C) |
| Szigetelési ellenállás | 20,0 MΩ/Km (20 °C) |
| Hőtulajdonságok | |
| Hőmérséklet-tartomány vezeték mozgás közben / -tól / -ig (°C) | -10 °C / 105 °C |
| Hőmérséklet-tartomány vezeték rögzítve / -tól (°C) | -30 °C / 105 °C |
Tanúsítások
továbbkevesebb| Tanúsítások | UL 2238 |
Osztályozások
továbbkevesebb| eCl@ss 11.1 | 27-44-01-03 |
| ETIM 9.0 | EC003570 |
Biztonsági figyelmeztetések
- The connector must not be plugged or unplugged under load. Non-observance and improper use can result in personal injury.
- The connectors have been developed for applications in plant engineering, control and electrical equipment construction. The user is responsible for checking whether the connectors can also be used in other areas of application.
- Connectors which are used in circuits with voltages dangerous to the touch may only be installed and used by, or under the supervision of, persons with electrical engineering training, taking into account the applicable regulations and standards.
- The user must take suitable safety precautions to ensure that the connector cannot be accidentally disconnected.
- Plug connectors with enclosure protection IP67 and IP68 are not suitable for use under water. When used outdoors, the plug connectors must be protected separately against corrosion. For further information on the IP protection classes, please refer to the "Technical Information" download centre.
- Please observe the pollution degree and the overvoltage category. For further information, please refer to the download center "Technical Information".
- To lock the cable connector with the device connector, the threaded ring is tightened "hand-tight" (approx. 50 cNm).
Letöltések
Adatlap
Adatlap 76 6319 1111 00004-0200
Letöltés
Tanúsítvány
UL tanúsítvány
Letöltés
REACH
76 6319 1111 00004-0200
Letöltés
RoHS
76 6319 1111 00004-0200
Letöltés
China RoHS
76 6319 1111 00004-0200
Letöltés
EPLAN adatok
76 6319 1111 00004-0200
Letöltés
Ellenőrzés a letöltéshez
Kérjük, fejezze be az ellenőrzést a CAD letöltés folytatásához.
CAD fájlok
Válassza ki a kívánt formátumot


