Cikkszám: 86 0531 1121 00004
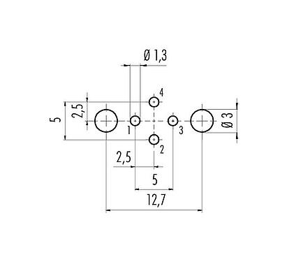
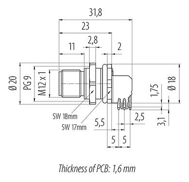
M12 panelre szerelhető csatlakozó, : 4, árnyékolható, THT, IP68, UL 2238, PG 9, hátsó panel felszerelés, öntött
M12-A, 763-es sorozat, Automatizálási technológia - érzékelők és aktuátorok
Általános jellemzők
továbbkevesebb| Alkatrész sz. |
86 0531 1121 00004
Régi termékszám: 09 3431 605 04
|
| Megjegyzés |
Felhívjuk figyelmét, hogy a régi rendelési számról az új rendelési számra történő átállás miatt eltérések lehetnek a műszaki leírásban. A termékkel kapcsolatos részletes kérdések esetén kérjük, használja a "Kapcsolatfelvétel az ügyfélszolgálattal" modult, amely a weboldal jobb oldalán található.
tovább |
| Csatlakozó kialakítása | panelre szerelhető csatlakozó |
| Szabványos típus | DIN EN 61076-2-101 |
| Programmazione | A-kódolt |
| Verzió | Csatlakozó stift derékszögű |
| Rögzítés módja | csavar |
| Csatlakoztatás típusa | THT |
| Védelmi szint | IP68 |
| Hőmérséklet tartomány tól/ig | -40 °C / 85 °C |
| Mechanikus élettartam | > 100 csatlakoztatási ciklusok |
| Tömeg (gr) | 16.30 |
| Vámtarifaszám | 85369010 |
| Származási ország | DE |
Elektromos paraméterek
továbbkevesebb| Névleges feszültség | 250 V |
| Névleges impulzusfeszültség | 2500 V |
| Névleges áramerősség | 4 A (3 A UL) |
| Szigetelési ellenállás | > 108 Ω |
| Szennyezettségi fok | 3 |
| Anyagcsoport | III |
| EMV megfelelőség | árnyékolható |
| Pajzs csatlakozás | árnyékoló lemez |
Anyag
továbbkevesebb| A ház anyaga | nikkelezett cinköntvény |
| Az érintkező test anyaga | PA fekete |
| Érintkező anyaga | CuZn (sárgaréz) |
| Érintkező bevonat | Au (arany) |
| REACH SVHC |
CAS 7439-92-1 (Lead) |
| Jelen lévő PFAS | c3f06484-0b9a-44b5-9a45-644d275c2fcd |
Tanúsítások
továbbkevesebb| Tanúsítások | UL 2238 |
Osztályozások
továbbkevesebb| ETIM 9.0 | EC003569 |
Biztonsági figyelmeztetések
- The connector must not be plugged or unplugged under load. Non-observance and improper use can result in personal injury.
- The connectors have been developed for applications in plant engineering, control and electrical equipment construction. The user is responsible for checking whether the connectors can also be used in other areas of application.
- To protect against unintentional opening of the connector, the thread between the housing and the connector head must be secured with a suitable cyanoacrylate adhesive when used in circuits with voltages dangerous to the touch. This does not apply to connectors used in SELV and PELV circuits according to IEC 61140 (EN 61140, VDE 0140-1).
- Connectors which are used in circuits with voltages dangerous to the touch may only be installed and used by, or under the supervision of, persons with electrical engineering training, taking into account the applicable regulations and standards.
- The user must take suitable safety precautions to ensure that the connector cannot be accidentally disconnected.
- Plug connectors with enclosure protection IP67 and IP68 are not suitable for use under water. When used outdoors, the plug connectors must be protected separately against corrosion. For further information on the IP protection classes, please refer to the "Technical Information" download centre.
- To lock the cable connector with the device connector, the threaded ring is tightened "hand-tight" (approx. 60 cNm).
- The user must take appropriate safety precautions to ensure that the connector cannot be accidentally disconnected. In addition, the user must ensure that the cable is suitably secured.
Letöltések
Adatlap
Adatlap 86 0531 1121 00004
Letöltés
Tanúsítvány
UL tanúsítvány
Letöltés
REACH
86 0531 1121 00004
Letöltés
RoHS
86 0531 1121 00004
Letöltés
China RoHS
86 0531 1121 00004
Letöltés
EPLAN adatok
86 0531 1121 00004
Letöltés
Ellenőrzés a letöltéshez
Kérjük, fejezze be az ellenőrzést a CAD letöltés folytatásához.
CAD fájlok
Válassza ki a kívánt formátumot



