Menu
Terug
  1. Producten
  2. Miniatuur connector
  3. M16 IP40
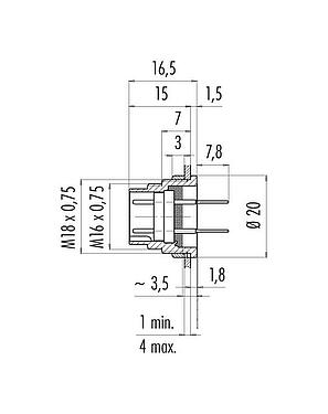
  4. M16 Male panel mount connector, aantal polen: 12 (12-a), onafgeschermd, THT, IP40, M18x0,75, Achterwandmontage
Artikelnr.: 09 0331 65 12

M16 Male panel mount connector, aantal polen: 12 (12-a), onafgeschermd, THT, IP40, M18x0,75, Achterwandmontage

M16 IP40, Serie 680, Miniatuur connectoren
Vergelijking
Downloads
Algemene kenmerken
meerminder
Artikelnummer 09 0331 65 12
Connectorconstructie Male panel mount connector
Type standaard DIN EN 61076-2-106
Versie Connector mal recht
Connectorvergrendeling schroeven
Aansluiting THT
Beschermingsgraad IP40
Grenstemperatuur van/tot -40 °C / 85 °C
Mechanische levensduur > 500 insteekcycli
Weight (g) 15.22
Customs tariff number 85369010
Land van herkomst DE
Nominale spanning 32 V
Nominale stootspanning 500 V
Nominale stroom 3,0 A
Insulation resistance ≥ 1010 Ω
Vervuilingsgraad 1
Overspanningscategorie I
Materiaalgroep III
EMC-naleving onafgeschermd
Materiaal van de behuizing gespuitgiet zink vernikkeld
Materiaal van de contactbasis PBT (UL94 V-0)
Materiaal van het contact CuZn (messing)
Contactbedekking Au (goud)
REACH SVHC CAS 7439-92-1 (Lead)
SCIP-nummer 12bf231e-d9b8-4d97-af60-2b35b1a5dc52
eCl@ss 11.1 27-44-01-09
ETIM 9.0 EC003569
Veiligheidsinstructies
  1. De stekker mag onder belasting niet worden aangesloten of losgekoppeld. Niet-naleving en oneigenlijk gebruik kunnen leiden tot persoonlijk letsel.
  2. De connectoren zijn ontwikkeld voor toepassingen in de installatietechniek, de besturing en de bouw van elektrische apparatuur. De gebruiker is verantwoordelijk voor de controle of de connectoren ook in andere toepassingsgebieden kunnen worden gebruikt.
  3. Aansluitingen die worden gebruikt in circuits met aanraakgevoelige spanningen mogen alleen worden geïnstalleerd en gebruikt door of onder toezicht van personen met een elektrotechnische opleiding, met inachtneming van de geldende voorschriften en normen.
  4. De gebruiker moet passende veiligheidsmaatregelen treffen om te voorkomen dat de connector per ongeluk wordt losgekoppeld.
  5. Let op de vervuilingsgraad en de overspanningscategorie. Voor meer informatie verwijzen wij u naar het downloadcentrum "Technische informatie".
  6. Om de kabelconnector met de apparaatconnector te vergrendelen, wordt de moer "handvast" aangedraaid (ca. 60 cNm).
Downloads
Informatieblad
Informatieblad 09 0331 65 12
PDF
REACH
09 0331 65 12
PDF
RoHS
09 0331 65 12
PDF
China RoHS
09 0331 65 12
PDF
EPLAN-gegevens
09 0331 65 12

Verificatie om te downloaden

Voltooi de verificatie om door te gaan met de CAD-download.

CAD-gegevens
Selecteer het gewenste formaat
M16 IP40
09 0331 65 12