Číslo položky: 09 0416 35 05
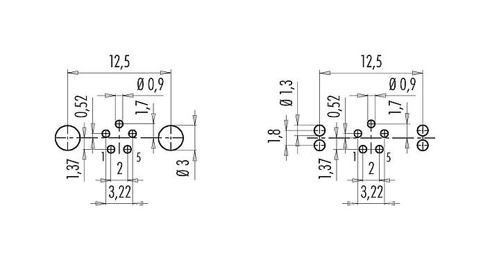
M9 Přírubová zásuvka, : 5, stínitelné, THT, IP67, M12x0,5, Montáž na zadní stěnu, tvarované
M9 IP67, Série 712, Subminiaturní konektory
Obecné vlastnosti
víceméně| Díl č. | 09 0416 35 05 |
| Konstrukce konektoru | Přírubová zásuvka |
| Provedení | Konektory zásuvka přímý |
| Uzamykací systém konektorů | šrouby |
| Ukončení | THT |
| Stupeň ochrany 1 | IP67 |
| Rozsah teplot od/do | -40 °C / 85 °C |
| Mechanický provoz | > 500 cyklů páření |
| Hmotnost (gr) | 10.67 |
| Číslo celního sazebníku | 85369010 |
| Země původu | DE |
Elektrické parametry
víceméně| Jmenovité napětí | 125 V |
| Jmenovité impulzní napětí | 1500 V |
| Jmenovitý proud | 3,0 A |
| Izolační odpor | ≥ 108 Ω |
| Stupeň znečištění | 1 |
| Kategorie přepětí | II |
| Skupina materiálů | III |
| Soulad s EMV | stínitelné |
| Připojení štítu | stínicí deskou |
Materiál
víceméně| Materiál kontaktního tělesa | PA (UL94 V-0) |
| Materiál kontaktu | CuSn (bronz) |
| Pokovení kontaktů | Au (zlato) |
| REACH SVHC |
CAS 7439-92-1 (Lead) |
| SCIP číslo | 056a711a-26ef-433c-89b9-3c0e7581b1d9 |
Klasifikace
víceméně| eCl@ss 11.1 | 27-44-01-09 |
| ETIM 9.0 | EC003569 |
Bezpečnostní upozornění
- The connector must not be plugged or unplugged under load. Non-observance and improper use can result in personal injury.
- The connectors have been developed for applications in plant engineering, control and electrical equipment construction. The user is responsible for checking whether the connectors can also be used in other areas of application.
- Plug connectors with enclosure protection IP67 and IP68 are not suitable for use under water. When used outdoors, the plug connectors must be protected separately against corrosion. For further information on the IP protection classes, please refer to the "Technical Information" download centre.
Stahování
Datový list
Datový list 09 0416 35 05
stáhnout
REACH
09 0416 35 05
stáhnout
RoHS
09 0416 35 05
stáhnout
China RoHS
09 0416 35 05
stáhnout
EPLAN数据
09 0416 35 05
stáhnout
Ověření pro stažení
Pro pokračování stažení CAD dokončete prosím ověření.
Soubory CAD
Vyberte požadovaný formát




