Číslo položky: 09 0473 782 08
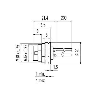
M16 Přírubová zátka, : 8 (08-a), nestíněný, Splétané vodiče, IP40, M18x0,75, Montáž na zadní stěnu
M16 IP40, Série 680, Miniaturní konektory
Obecné vlastnosti
víceméně| Díl č. | 09 0473 782 08 |
| Konstrukce konektoru | Přírubová zátka |
| Standard typu | DIN EN 61076-2-106 |
| Délka drátu | 0,2 m (Standard 0,2 m. Další délky jsou k dispozici na vyžádání). |
| Provedení | Konektory pin přímý |
| Uzamykací systém konektorů | šrouby |
| Ukončení | Splétané vodiče |
| Stupeň ochrany 1 | IP40 |
| Průřez přípojky | AWG 22 |
| Rozsah teplot od/do | -30 °C / 85 °C |
| Mechanický provoz | > 500 cyklů páření |
| Hmotnost (gr) | 21.66 |
| Číslo celního sazebníku | 85369010 |
| Země původu | DE |
Elektrické parametry
víceméně| Jmenovité napětí | 32 V |
| Jmenovité impulzní napětí | 500 V |
| Jmenovitý proud | 5,0 A |
| Izolační odpor | ≥ 1010 Ω |
| Stupeň znečištění | 1 |
| Kategorie přepětí | I |
| Skupina materiálů | II |
| Soulad s EMV | nestíněný |
Materiál
víceméně| Materiál pouzdra | Zinkový tlakový odlitek poniklovaný |
| Materiál kontaktního tělesa | PBT (UL94 V-0) |
| Materiál kontaktu | CuSn (bronz) |
| Pokovení kontaktů | Ag (stříbro) |
| REACH SVHC |
CAS 7439-92-1 (Lead) |
| SCIP číslo | e82aaf54-c599-4678-a4c5-4218c897febc |
Údaje o litzových drátech
víceméně| Struktura drátu | |
| Průřez (mm²) | 8 x 0,34 mm² |
| Průřez (AWG) | 8 x AWG 22 |
| Průměr vodiče | 1,65 mm |
| Barvy vodiče |
hnědá bílá modrá zelená žlutá šedá růžová červená |
| Materiál pláště | PVC |
| Materiál vodiče | Měď (pocínovaná) |
| Struktura vodiče | 7 x 0,254 mm |
| Elektrické vlastnosti | |
| Jmenovité napětí | 300 V |
| Jmenovité impulzní napětí | 3000 V |
| Izolační odpor | 20,0 MΩ/Km (20 °C) |
| Tepelné vlastnosti | |
| Rozsah teplot při pohybu z / do (°C) | -10 °C / 105 °C |
| Rozsah teplot drátu pevně stanovený od / do (°C) | -40 °C / 105 °C |
Klasifikace
víceméně| eCl@ss 11.1 | 27-44-01-09 |
| ETIM 9.0 | EC003569 |
Bezpečnostní upozornění
- The connector must not be plugged or unplugged under load. Non-observance and improper use can result in personal injury.
- The connectors have been developed for applications in plant engineering, control and electrical equipment construction. The user is responsible for checking whether the connectors can also be used in other areas of application.
- Connectors which are used in circuits with voltages dangerous to the touch may only be installed and used by, or under the supervision of, persons with electrical engineering training, taking into account the applicable regulations and standards.
- The user must take suitable safety precautions to ensure that the connector cannot be accidentally disconnected.
- Please observe the pollution degree and the overvoltage category. For further information, please refer to the download center "Technical Information".
- To lock the cable connector with the device connector, the threaded ring is tightened "hand-tight" (approx. 60 cNm).
Stahování
Datový list
Datový list 09 0473 782 08
stáhnout
REACH
09 0473 782 08
stáhnout
RoHS
09 0473 782 08
stáhnout
China RoHS
09 0473 782 08
stáhnout
EPLAN数据
09 0473 782 08
stáhnout
Ověření pro stažení
Pro pokračování stažení CAD dokončete prosím ověření.
Soubory CAD
Vyberte požadovaný formát


