Číslo položky: 99 3442 200 05
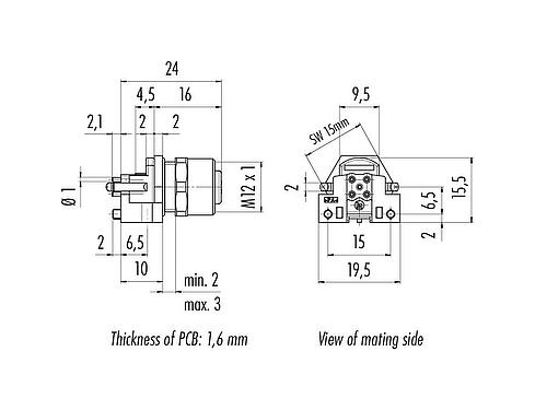
M12 Přírubová zásuvka, : 5, nestíněný, THR, IP68, UL 2238, M12x1,0, Přední montáž, pro montáž desek plošných spojů
M12-A, Série 763, Automatizační technika - senzory a aktuátory
Obecné vlastnosti
víceméně| Díl č. | 99 3442 200 05 |
| Konstrukce konektoru | Přírubová zásuvka |
| Standard typu | DIN EN 61076-2-101 |
| Kódování | kódem A |
| Provedení | Konektory zásuvka přímý |
| Uzamykací systém konektorů | šrouby |
| Ukončení | THR |
| Stupeň ochrany 1 | IP68 |
| Rozsah teplot od/do | -40 °C / 85 °C |
| Mechanický provoz | > 100 cyklů páření |
| Hmotnost (gr) | 15.05 |
| Číslo celního sazebníku | 85369010 |
| Země původu | HU |
Elektrické parametry
víceméně| Jmenovité napětí | 60 V |
| Jmenovité impulzní napětí | 1500 V |
| Jmenovitý proud | 4 A (3 A UL) |
| Izolační odpor | > 108 Ω |
| Stupeň znečištění | 3 |
| Skupina materiálů | III |
| Soulad s EMV | nestíněný |
Materiál
víceméně| Materiál pouzdra | CuZn (Mosaz poniklovaná) |
| Materiál kontaktního tělesa | PA |
| Materiál kontaktu | CuSn (bronz) |
| Pokovení kontaktů | Au (zlato) |
| REACH SVHC |
CAS 7439-92-1 (Lead) |
| SCIP číslo | 4b4c0b23-46d4-4363-afe4-684a0af5c6ac |
Autorizace/schválení
víceméně| Schválení | UL 2238 |
Trade-Compliance
víceméně| Copper (9903.78.01) | 0.002108 kg |
Bezpečnostní upozornění
- The connector must not be plugged or unplugged under load. Non-observance and improper use can result in personal injury.
- The connectors have been developed for applications in plant engineering, control and electrical equipment construction. The user is responsible for checking whether the connectors can also be used in other areas of application.
- To protect against unintentional opening of the connector, the thread between the housing and the connector head must be secured with a suitable cyanoacrylate adhesive when used in circuits with voltages dangerous to the touch. This does not apply to connectors used in SELV and PELV circuits according to IEC 61140 (EN 61140, VDE 0140-1).
- Connectors which are used in circuits with voltages dangerous to the touch may only be installed and used by, or under the supervision of, persons with electrical engineering training, taking into account the applicable regulations and standards.
- The user must take suitable safety precautions to ensure that the connector cannot be accidentally disconnected.
- Plug connectors with enclosure protection IP67 and IP68 are not suitable for use under water. When used outdoors, the plug connectors must be protected separately against corrosion. For further information on the IP protection classes, please refer to the "Technical Information" download centre.
- To lock the cable connector with the device connector, the threaded ring is tightened "hand-tight" (approx. 60 cNm).
- The user must take appropriate safety precautions to ensure that the connector cannot be accidentally disconnected. In addition, the user must ensure that the cable is suitably secured.
Stahování
Datový list
Datový list 99 3442 200 05
stáhnout
Certifikát
Certifikát UL
stáhnout
REACH
99 3442 200 05
stáhnout
RoHS
99 3442 200 05
stáhnout
China RoHS
99 3442 200 05
stáhnout
EPLAN数据
99 3442 200 05
stáhnout
Ověření pro stažení
Pro pokračování stažení CAD dokončete prosím ověření.
Soubory CAD
Vyberte požadovaný formát




