Ordinazione no: 09 0431 76 04
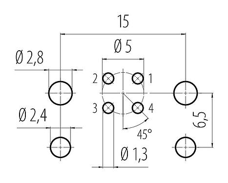
M12 Connettore maschio a pannello, Numero poli: 4, non schermato, THT, IP67, Montaggio anteriore
M12-A, serie 713, Tecnologia dell'automazione - sensori e attuatori
Caratteristiche generali
piùless| Numero d'ordine | 09 0431 76 04 |
| Design del connettore | Connettore maschio a pannello |
| Tipo Standard | DIN EN 61076-2-101 |
| Kódolás | codice A |
| Versione | Connettore maschio diritto |
| Sistema di bloccaggio del connettore | a vite |
| Terminazione | THT |
| Grado di protezione | IP67 |
| Intervallo di temperatura da/a | -40 °C / 85 °C |
| Funzionamento meccanico | > 100 cicli di accoppiamento |
| Peso (gr) | 0.86 |
| Numero di tariffa doganale | 85369010 |
| Paese di origine | DE |
Parametri elettrici
piùless| Tensione nominale | 250 V |
| Tensione nominale d'impulso | 2500 V |
| Corrente nominale | 4,0 A |
| Resistenza d'isolamento | > 108 Ω |
| Grado di inquinamento | 3 |
| Categoria di sovratensione | II |
| Gruppo di materiali | III |
| Conformità EMC | non schermato |
Materiale
piùless| Materiale dell'alloggiamento | PA |
| Materiale del corpo del contatto | PA |
| Materiale di contatto | CuZn (ottone) |
| Placcatura del contatto | Au (oro) |
| REACH SVHC |
CAS 7439-92-1 (Lead) |
| PFAS presenti | 78d53392-a32e-4cb3-992d-b2f7d9257d31 |
Classificazioni
piùless| eCl@ss 11.1 | 27-44-01-09 |
| ETIM 9.0 | EC003569 |
Avvisi di sicurezza
- Il connettore non deve essere inserito o disinserito sotto carico. L'inosservanza e l'uso improprio possono provocare lesioni personali.
- I connettori sono stati sviluppati per applicazioni nell'impiantistica, nel controllo e nella costruzione di apparecchiature elettriche. L'utente è responsabile di verificare se i connettori possono essere utilizzati anche in altri campi di applicazione.
- I connettori utilizzati in circuiti con tensioni pericolose al tatto possono essere installati e utilizzati solo da o sotto la supervisione di persone con una formazione in ingegneria elettrica, tenendo conto dei regolamenti e delle norme applicabili.
- L'utente deve prendere le opportune precauzioni di sicurezza per garantire che il connettore non possa essere scollegato accidentalmente.
- I connettori a spina con protezione dell'involucro IP67 e IP68 non sono adatti all'uso sotto l'acqua. Se utilizzati all'esterno, i connettori devono essere protetti separatamente dalla corrosione. Per ulteriori informazioni sulle classi di protezione IP, consultare le informazioni tecniche nell'area download
- Si prega di osservare il grado di inquinamento e la categoria di sovratensione. Per ulteriori informazioni, consultare le informazioni tecniche nell'area download
- Per bloccare il connettore del cavo con il connettore del dispositivo, l'anello filettato viene serrato come a mano (circa 60 cNm)
Downloads
Scheda tecnica
Scheda tecnica 09 0431 76 04
Scaricare
REACH
09 0431 76 04
Scaricare
RoHS
09 0431 76 04
Scaricare
China RoHS
09 0431 76 04
Scaricare
Dati EPLAN
09 0431 76 04
Scaricare
Verifica per scaricare
Completare la verifica per procedere con il download CAD.
Dati CAD
Scegliete il formato che preferite



