Artikelnummer: 09 0403 35 02
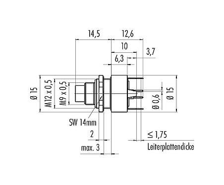
M9 Flanschstecker, Polzahl: 2, schirmbar, THT, IP67, M12x0,5, Rückwandmontage, vergossen
M9 IP67, Serie 712, Subminiatur Steckverbinder
Allgemeine Kennwerte
mehrweniger| Artikelnummer | 09 0403 35 02 |
| Steckverbinder-Bauform | Flanschstecker |
| Ausführung | Steckverbinder, Stift, gerade |
| Steckverbinder Verriegelung | schrauben |
| Anschlussart | THT |
| Schutzart | IP67 |
| Temperaturbereich von / bis | -40 °C / 85 °C |
| Mechanische Lebensdauer | > 500 Steckzyklen |
| Gewicht (gr) | 10.29 |
| Zolltarifnummer | 85369010 |
| Ursprungsland | DE |
Elektrische Kennwerte
mehrweniger| Bemessungsspannung | 125 V |
| Bemessungs-Stoßspannung | 1500 V |
| Bemessungsstrom | 4,0 A |
| Isolationswiderstand | ≥ 108 Ω |
| Verschmutzungsgrad | 1 |
| Überspannungskategorie | II |
| Isolierstoffgruppe | III |
| EMV-Tauglichkeit | schirmbar |
| Schirmanbindung | Schirmblech |
Werkstoffe
mehrweniger| Material Kontaktkörper | PA (UL94 V-0) |
| Material Kontakt | CuZn (Messing) |
| Kontaktoberfläche | Au (Gold) |
| REACH SVHC |
CAS 7439-92-1 (Lead) |
| SCIP Nummer | 2bd54df8-6e8c-4197-8762-5bda30fe0ba4 |
Klassifikationen
mehrweniger| eCl@ss 11.1 | 27-44-01-09 |
| ETIM 9.0 | EC003569 |
Trade-Compliance
mehrweniger| Kupfer (9903.78.01) | 0.000756 kg |
Sicherheitshinweise / Montagehinweise
- Der Steckverbinder darf nicht unter Last gesteckt oder getrennt werden. Eine Nichtbeachtung sowie unsachgemäße Verwendung kann Personenschäden zur Folge haben.
- Die Steckverbinder sind für Einsatzbereiche im Anlagen-, Steuerungs- und Elektrogerätebau entwickelt worden. Die Überprüfung, ob die Steckverbinder auch in anderen Einsatzgebieten verwendet werden können, obliegt dem Anwender.
- Steckverbinder mit der Schutzart IP67 und IP68 sind nicht für die Verwendung unter Wasser geeignet. Beim Einsatz im Freien müssen die Steckverbinder gesondert gegen Korrosion geschützt werden. Weitere Infos zu den IP Schutzarten siehe im Bereich Downloadcenter „Technische Informationen“.
Downloads
Datenblatt
Datenblatt 09 0403 35 02
herunterladen
REACH
09 0403 35 02
herunterladen
RoHS
09 0403 35 02
herunterladen
China RoHS
09 0403 35 02
herunterladen
EPLAN Daten
09 0403 35 02
herunterladen
Verifizierung für Download
Bitte schließen Sie die Verifizierung ab, um den CAD-Download fortzusetzen.
CAD-Daten
Gewünsches Format auswählen





