Artikelnr.: 09 3112 81 04
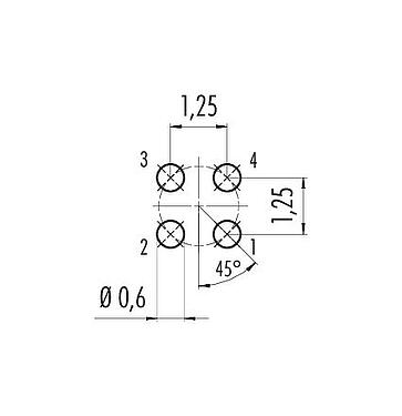
M5 Female panel mount connector, aantal polen: 4, onafgeschermd, THT, IP67, M5x0,5, Achterwandmontage, gegoten
M5, Serie 707, Automatiseringstechniek – Sensoren en Actuatoren
Er is een nieuwere versie van dit artikel
Directe vergelijking oude/nieuwe versie
86 8106 1100 00004
M5 Female panel mount connector, aantal polen: 4, onafgeschermd, THT, IP67, UL 2238, M5x0,5, Achterwandmontage, gegoten
M5, Serie 707, Automatiseringstechniek – Sensoren en Actuatoren
Algemene kenmerken
meerminder| Artikelnummer | 09 3112 81 04 |
| Connectorconstructie | Female panel mount connector |
| Type standaard | DIN EN 61076-2-105 |
| Codering | A-gecodeerd |
| Versie | Connector femal recht |
| Connectorvergrendeling | schroeven |
| Aansluiting | THT |
| Beschermingsgraad | IP67 |
| Grenstemperatuur van/tot | -25 °C / 80 °C |
| Mechanische levensduur | > 100 insteekcycli |
| Weight (g) | 2.60 |
| Customs tariff number | 85369010 |
| Land van herkomst | DE |
Elektrische kenmerken
meerminder| Nominale spanning | 60 V |
| Nominale stootspanning | 800 V |
| Nominale stroom | 1,0 A |
| Insulation resistance | > 108 Ω |
| Vervuilingsgraad | 3 |
| Overspanningscategorie | II |
| Materiaalgroep | I |
| EMC-naleving | onafgeschermd |
Materialen
meerminder| Materiaal van de contactbasis | PA |
| Materiaal van het contact | CuSn (brons) |
| Contactbedekking | Au (goud) |
| REACH SVHC |
CAS 7439-92-1 (Lead) |
| SCIP-nummer | 9170d26f-549f-4617-be6c-62cb421c3af3 |
Classificaties
meerminder| eCl@ss 11.1 | 27-44-01-09 |
| ETIM 9.0 | EC003569 |
Veiligheidsinstructies
- De stekker mag onder belasting niet worden aangesloten of losgekoppeld. Niet-naleving en oneigenlijk gebruik kunnen leiden tot persoonlijk letsel.
- De connectoren zijn ontwikkeld voor toepassingen in de installatietechniek, de besturing en de bouw van elektrische apparatuur. De gebruiker is verantwoordelijk voor de controle of de connectoren ook in andere toepassingsgebieden kunnen worden gebruikt.
- Aansluitingen die worden gebruikt in circuits met aanraakgevoelige spanningen mogen alleen worden geïnstalleerd en gebruikt door of onder toezicht van personen met een elektrotechnische opleiding, met inachtneming van de geldende voorschriften en normen.
- De gebruiker moet passende veiligheidsmaatregelen treffen om te voorkomen dat de connector per ongeluk wordt losgekoppeld.
- Steekverbindingen met beschermingsgraad IP67 en IP68 zijn niet geschikt voor gebruik onder water. Bij gebruik buitenshuis moeten de stekerverbindingen afzonderlijk tegen corrosie worden beschermd. Meer informatie over de IP-beschermingsgraden vindt u in het downloadcentrum "Technische informatie".
- Let op de vervuilingsgraad en de overspanningscategorie. Voor meer informatie verwijzen wij u naar het downloadcentrum "Technische informatie".
- Om de kabelconnector met de apparaatconnector te vergrendelen, wordt de moer "handvast" aangedraaid (ca. 50 cNm).
Downloads
Informatieblad
Informatieblad 09 3112 81 04
downloaden
REACH
09 3112 81 04
downloaden
RoHS
09 3112 81 04
downloaden
China RoHS
09 3112 81 04
downloaden
EPLAN-gegevens
09 3112 81 04
downloaden
Verificatie om te downloaden
Voltooi de verificatie om door te gaan met de CAD-download.
CAD-gegevens
Selecteer het gewenste formaat




