Menu
Back
  1. Products
  2. Miniature connectors
  3. M16 IP67
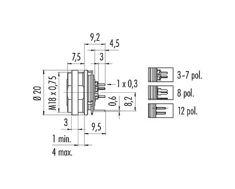
  4. M16 Female panel mount connector, Contacts: 19 (19-a), unshielded, THT, IP67, UL 2238, M18x0,75, Rear mounting
Part no.: 09 0464 290 19

M16 Female panel mount connector, Contacts: 19 (19-a), unshielded, THT, IP67, UL 2238, M18x0,75, Rear mounting

M16 IP67, series 723, Miniature Connectors
General features
Moreless
Part no. 09 0464 290 19
Connector design Female panel mount connector
Type standard DIN EN 61076-2-106
Version Connector socket straight
Connector locking system screw
Termination THT
Degree of protection IP67
Connection cross-section 0.50 mm² / AWG 20
Temperature range from/to -25 °C / 95 °C
Mechanical operation > 100 Mating cycles
Weight (g) 9.65
Customs tariff number 85369010
Country of Origin DE
Rated voltage 60 V
Rated impulse voltage 500 V
Rated current 3,0 A
Insulation resistance ≥ 1010 Ω
Pollution degree 1
Overvoltage category I
Insulating material group III
EMC compliance unshielded
Shield connection Shield pin
Housing material Zinc die-cast nickel-plated
Contact body material PBT (UL94 V-0)
Contact material CuSn (bronze)
Contact plating Au (gold)
REACH SVHC CAS 7439-92-1 (Lead)
SCIP number bb22b296-7641-4138-9f6d-940f1716b0d7
eCl@ss 11.1 27-44-01-09
ETIM 9.0 EC003569
Security notices
  1. The connector must not be plugged or unplugged under load. Non-observance and improper use can result in personal injury.
  2. The connectors have been developed for applications in plant engineering, control and electrical equipment construction. The user is responsible for checking whether the connectors can also be used in other areas of application.
  3. Connectors which are used in circuits with voltages dangerous to the touch may only be installed and used by, or under the supervision of, persons with electrical engineering training, taking into account the applicable regulations and standards.
  4. The user must take suitable safety precautions to ensure that the connector cannot be accidentally disconnected.
  5. Plug connectors with enclosure protection IP67 and IP68 are not suitable for use under water. When used outdoors, the plug connectors must be protected separately against corrosion. For further information on the IP protection classes, please refer to the "Technical Information" download centre.
  6. Please observe the pollution degree and the overvoltage category. For further information, please refer to the download center "Technical Information".
  7. The protection class specification applies on condition that the four mounting holes are made as blind holes.
Downloads
Data sheet
Data sheet 09 0464 290 19
PDF
Data sheet, Data sheet 09 0464 290 19
Certificates
UL certificate
PDF, 955.00 KB
REACH
09 0464 290 19
PDF
RoHS
09 0464 290 19
PDF
China RoHS
09 0464 290 19
PDF
EPLAN data
09 0464 290 19

Verify to download

Please complete the verification to proceed with the CAD download.

CAD files
Select required format
M16 IP67
09 0464 290 19